EasyManua.ls Logo

SENSTAR OmniTrax - Page 227

SENSTAR OmniTrax
252 pages
Print Icon
To Next Page IconTo Next Page
To Next Page IconTo Next Page
To Previous Page IconTo Previous Page
To Previous Page IconTo Previous Page
Loading...
Network configuration
OmniTrax Product Guide Page 227
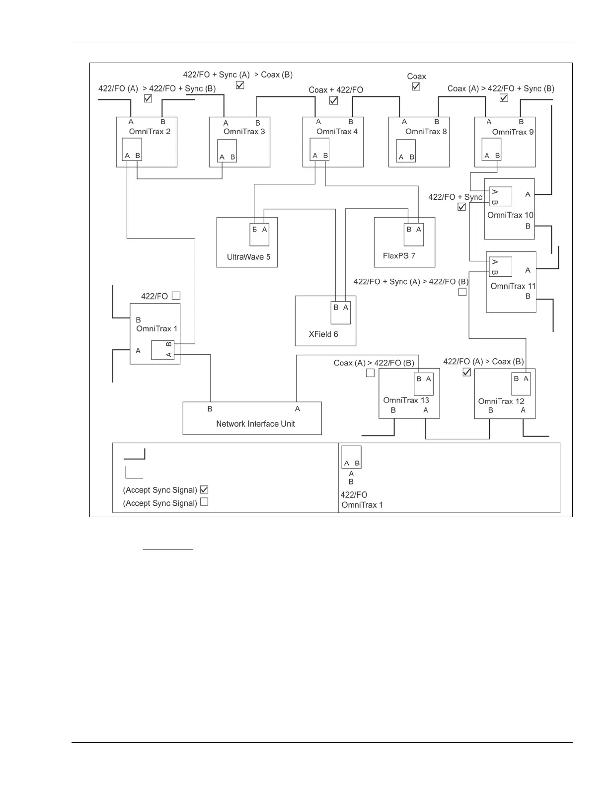
Figure 195: illustrates a Silver Network comprised of 10 OmniTrax processors, an UltraWave
microwave sensor, an XField electrostatic field sensor and a FlexPS fence disturbance sensor.
Each OmniTrax processor uses a different communication/sync setting, based on their location
and connection details.
OmniTrax 1 is isolated and does not require synchronization with the other processors. OmniTrax
11 is the sync master for OmniTrax processors 2, 3, 4, 8, 9 and 10. OmniTrax 12 and 13 are also
isolated from the other processors and need only be synchronized as a pair with OmniTrax 13
serving as the sync master for OmniTrax 12. The UltraWave, XField and FlexPS processors join
the network loop through an NIC data tap at OmniTrax 4.
Figure 195: Silver Network data communication and processor synchronization example
OmniTrax sensor cable
data cable (EIA-422 OR fiber optic)
synchronized OmniTrax processor
OmniTrax Sync Master OR
unsynchronized processor
Network interface card
sensor cable side designation
network communication and synchronization selection
Silver Network device type and address

Table of Contents

Related product manuals