EasyManua.ls Logo

SENSTAR OmniTrax - Connection Diagrams

SENSTAR OmniTrax
252 pages
Print Icon
To Next Page IconTo Next Page
To Next Page IconTo Next Page
To Previous Page IconTo Previous Page
To Previous Page IconTo Previous Page
Loading...
Network configuration
Page 228 OmniTrax Product Guide
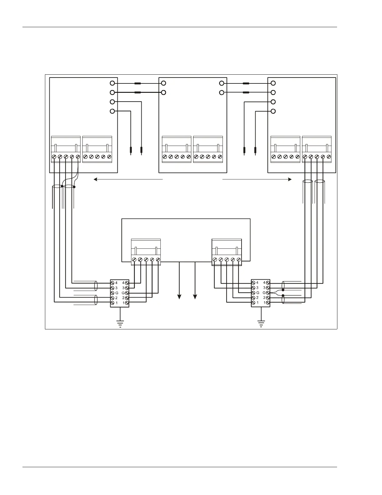
Connection diagrams
The following connection diagrams illustrate EIA-422, sensor cable (coax), and fiber optic based
Silver Networks.
Figure 196: OmniTrax Silver Network wiring - EIA-422 & sensor cables
R
X
A+
R
X
A
-
G
N
D
T
X
A+
T
X
A-
12345
11
223344
55
R
X
B
+
R
X
B
-
G
N
D
T
X
B
+
T
X
B
-
R
X
A
+
R
X
A
-
G
N
D
T
X
A
+
T
X
A
-
1
1
2
2
3
3
4
4
5
5
1234
5
1
2
3
4
5
1
1
2
2
3
3
4
4
5
5
1
2
3
4
5
1
2
3
4
5
12345 12345
R
X
B
+
R
X
B
-
G
N
D
T
X
B
+
T
X
B
-
R
X
A
+
R
X
A
-
G
N
D
T
X
A
+
T
X
A
-
R
X
B
+
R
X
B
-
G
N
D
T
X
B
+
T
X
B
-
R
X
A
+
R
X
A
-
G
N
D
T
X
A
+
T
X
A
-
R
X
B
+
R
X
B
-
G
N
D
T
X
B
+
T
X
B
-
12345
TXA
RXA
RXB
TXB
RXB
TXB
RXA
TXA
TXB
RXB
RXA
TXA
12345 12345 12345 1234512345 12345
first OmniTrax
processor
422/FO A >
coax B
coax
second OmniTrax
processor
last OmniTrax
processor
coax A >
422/FO B
maximum 60 processors
shield
shield
shield
shield
EIA-422 copper wire connection to NIU
NOTE: use single point grounding
(connect only one side of shield)
Network Interface Unit
shield
shield
to Network Manager
via EIA-232 OR Ethernet OR USB
shield
shield
lightning
arrestors
lightning
arrestors

Table of Contents

Related product manuals