EasyManua.ls Logo

Xerox WorkCentre 5225

Xerox WorkCentre 5225
1457 pages
To Next Page IconTo Next Page
To Next Page IconTo Next Page
To Previous Page IconTo Previous Page
To Previous Page IconTo Previous Page
Loading...
February, 2008
7-105
WorkCentre 5225, 5230
Chain 7 Paper Supply
Wiring Data
Launch Version
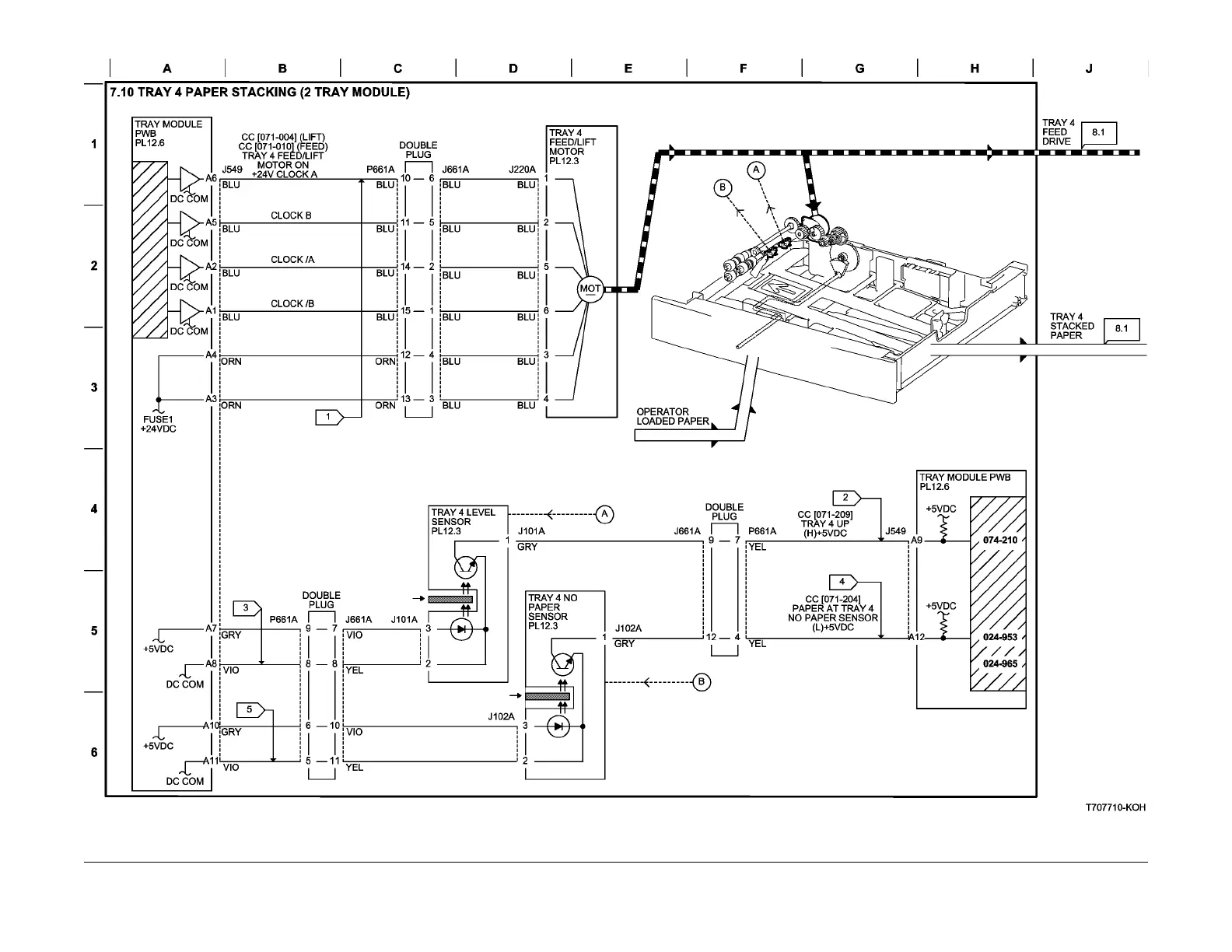
Figure 10 BSD 7.10 Tray 4 Paper Stacking (2-Tray Module)

Table of Contents

Other manuals for Xerox WorkCentre 5225

Related product manuals