EasyManua.ls Logo

YASKAWA JEPMC-MP2300-Y Series

YASKAWA JEPMC-MP2300-Y Series
598 pages
To Next Page IconTo Next Page
To Next Page IconTo Next Page
To Previous Page IconTo Previous Page
To Previous Page IconTo Previous Page
Loading...
4
Mounting and Wiring
4.4.3
DO-01 Module Connections
4-52
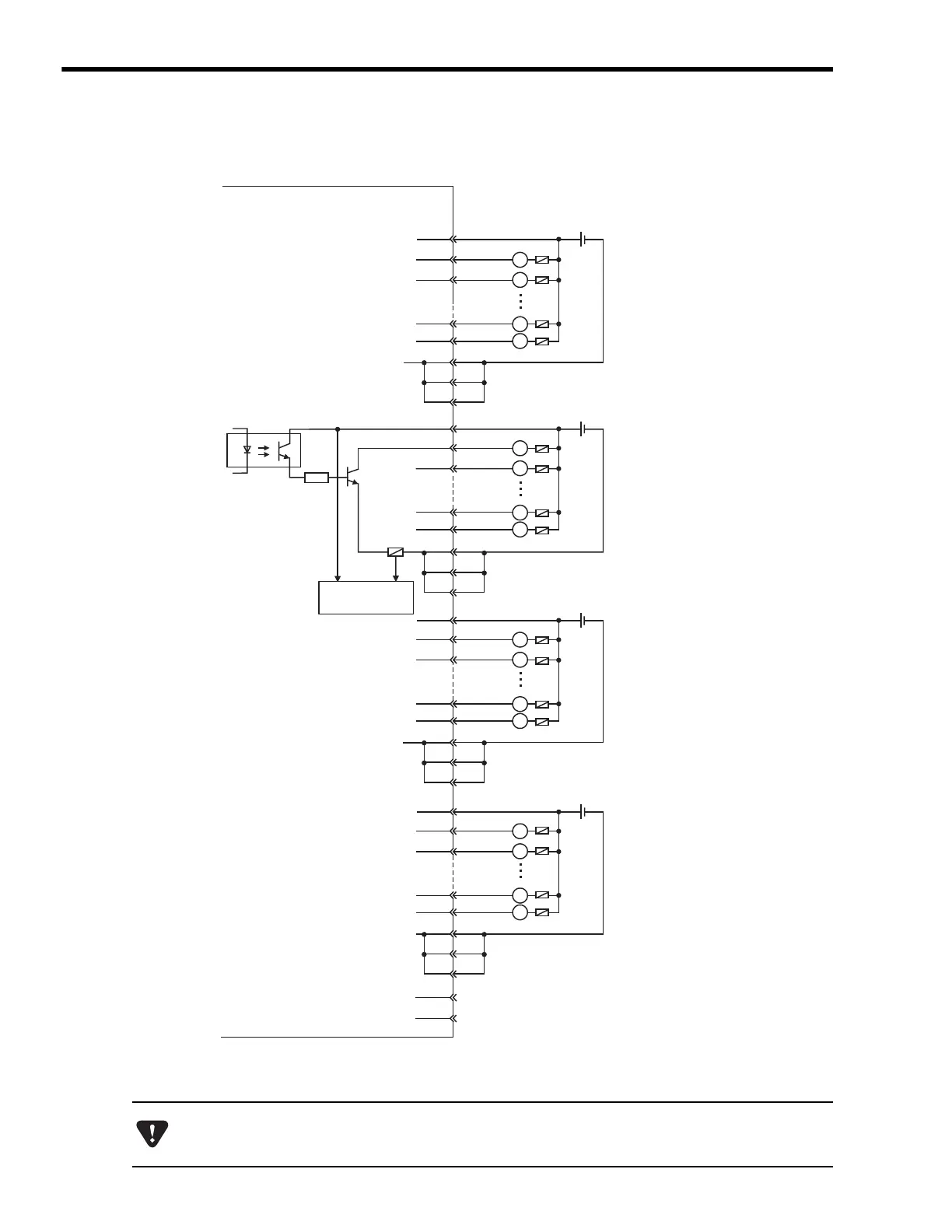
CN2 Connector Connection Example
The pins No. 6, 26, and 31, the pins No. 12, 32, and 37, the pins No. 18, 38, and 43, and the pins
No. 24, 44, and 49 are internally connected. Connect them externally as well.
7
8
33
11
36
13
12
14
39
17
42
18
19
20
45
23
48
24
25
50
CN2 connector
pin No.
1
2
27
5
30
6
31
26
Output 33
+-
L
L
L
L
Output 32
Output 39
Output 38
Output 41
+-
24 VDC
L
L
L
L
Output 40
Output 47
Output 46
Output 49
+-
24 VDC
L
L
L
L
Output 48
Output 55
Output 54
Output 57
+-
24 VDC
L
L
L
L
Output 56
Output 63
Output 62
Photocoupler
JAPMC-DO2300
Fuse
Fuse
24 VDC
R
37
32
43
38
49
44
Fuse blowout
detection circuit
A fuse is inserted in the output common line of the DO-01 Module for circuit protection. However, the fuse
may not be blown out in the cases such as layer shorts in outputs. To ensure the circuit protection, provide a
protective element such as fuse in each output as shown in the above diagram.

Table of Contents

Related product manuals