EasyManua.ls Logo

ARTERY AT32F421C8T7 - Serial Peripheral Interface (SPI); SPI Introduction; Functional Overview; SPI Description

Default Icon
337 pages
Print Icon
To Next Page IconTo Next Page
To Next Page IconTo Next Page
To Previous Page IconTo Previous Page
To Previous Page IconTo Previous Page
Loading...
AT32F421 Series Reference Manual
2022.11.11 Page 149 Rev 2.02
13 Serial peripheral interface (SPI)
13.1 SPI introduction
The SPI interface supports either the SPI protocol or the I
2
S protocol, depending on software
configuration. This chapter gives an introduction of the main features and configuration procedure of SPI
used as SPI and I
2
S respectively.
13.2 Functional overview
13.2.1 SPI description
The SPI can be configured as host or slave based on software configuration, supporting full-duplex,
reception-only full-duplex and transmission-only/reception-only half-duplex modes, DMA transfer, and
automatic CRC function of SPI internal hardware.
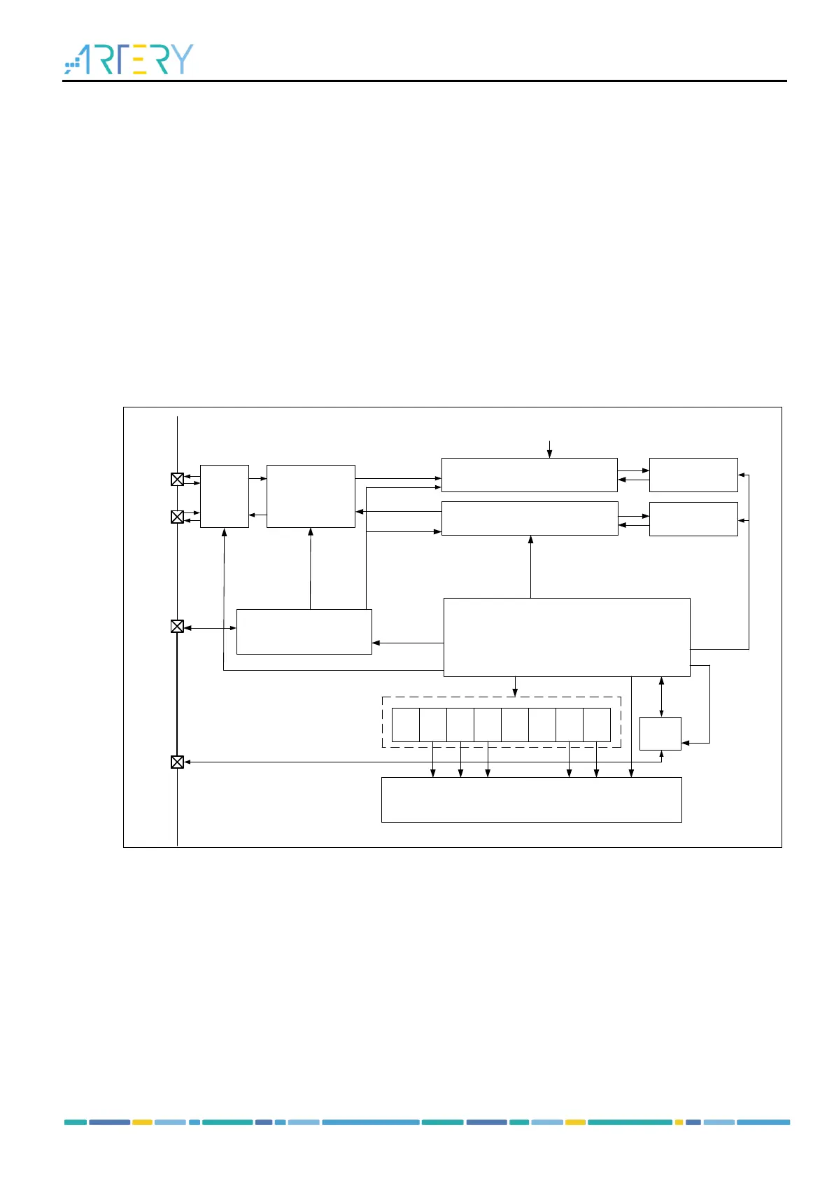
SPI block diagram:
Figure 13-1 SPI block diagram
SPI_SCK controller
SPI_STS
BF
ROE
RR
MME
RR
CCE
RR
TUER
R
ACS TDBE RDBF
Communication controller
CS
controller
SWCSEN
SWCSIL
SLBEN
SLBTD
ORA
MDIV[3:0]
CLKPOL
CLKPHA
MSTEN
Transmitter logic
Transmission CRC unit
CCEN
NTC
LTF
SPIEN
FBN
MOSI
MISO
SCK
CS
Full-
Duplex/Harf
-duplex
selector
Receiver logic Receipt CRC unit
Receive & transmit date
shift logic
Interrupt generator
ERRIE TDBEIE RDBFIE
LTF
SPIEN
FBN
Main features as SPI:
Full-duplex or half-duplex communication
Full-duplex synchronous communication (supporting reception-only mode to release IO for
transmission)
Half-duplex synchronous communication (transfer direction is configurable: receive or transmit)
Master or slave mode
CS signal processing mode
CS signal processing by hardware
CS signal processing by software
8-bit or 16-bit frame format
Communication frequency and prescalers (Frequency division factor up to f
PCLK
/2)
Programmable clock polarity and phase

Table of Contents