EasyManua.ls Logo

Emerson PACSystems RSTi-EP - 5.19 Serial Communication Module EP-5261

Emerson PACSystems RSTi-EP
539 pages
To Next Page IconTo Next Page
To Next Page IconTo Next Page
To Previous Page IconTo Previous Page
To Previous Page IconTo Previous Page
Loading...
User Manual Section 5
GFK-2958L May 2021
Detailed Description of I/O Modules 243
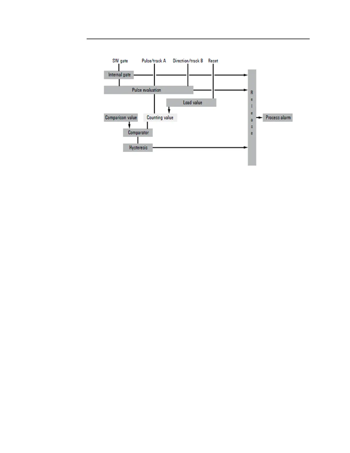
Figure 134: Additional Counter Functions
Comparison Function
Via the parameter Comparison function, you can deactivate the comparison function or
define a comparison condition:
Counter value higher or equal comparison value
Counter value lower or equal comparison value
Counter value equal comparison value
To use the comparison function, you must preset the comparison values for both counting
channels in the respective first double word of the process data outputs and to set the bit
QX8.1 and QX10.1 respectively (Comparison bit released) in each control word.
As soon as the counting value meets the corresponding comparison condition, the bits
Comparison bit active and Comparison condition met are activated. The bit Comparison bit
active remains set as long as the comparison condition is being met (respectively the
parameterized hysteresis). The bit Comparison condition met remains active until it will be
reset with the bit Reset of the status bits in the control word.
When using a counting mode with primary direction, the comparison bit will be set only
upon reaching the comparison value from the primary direction.
Hysteresis
It is possible to reduce frequent triggering of a process alarm and toggling of the
comparison bit (e.g. if the value of a sensor signal fluctuates around the comparison value),
by setting the hysteresis. You thereby define a range above and below a reference value
(zero crossing, overflow/underflow and comparison value), within which the status bit will
not be reset.
A limit value between 0 and 255 can be parameterized for the hysteresis. With hysteresis =
3 for example, all values differing less than 3 from the reference value are smoothed.
Hysteresis is deactivated with the values 0 and 1. The hysteresis is activated upon reaching
the comparison condition. The comparison result remains unchanged during active

Table of Contents

Other manuals for Emerson PACSystems RSTi-EP

Related product manuals