EasyManua.ls Logo

Honda CM400A - Clutch;Oil Pump Service

Honda CM400A
317 pages
Print Icon
To Next Page IconTo Next Page
To Next Page IconTo Next Page
To Previous Page IconTo Previous Page
To Previous Page IconTo Previous Page
Loading...
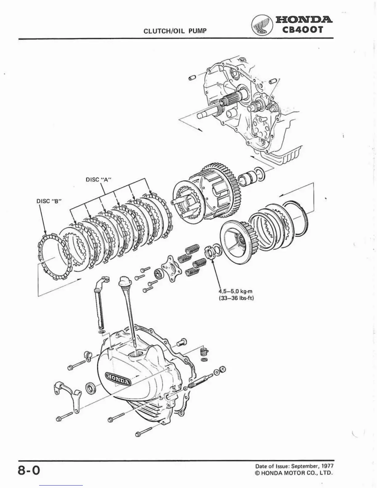
CLUTCH/OIL
PUMP
HONDA
CB40OT
Date
of
Issue: September.
1977
O
HONDA MOTOR CO., LTD.

Table of Contents

Related product manuals