EasyManua.ls Logo

Honda CM400A - Rear Wheel;Brake;Suspension

Honda CM400A
317 pages
Print Icon
To Next Page IconTo Next Page
To Next Page IconTo Next Page
To Previous Page IconTo Previous Page
To Previous Page IconTo Previous Page
Loading...
HONDA
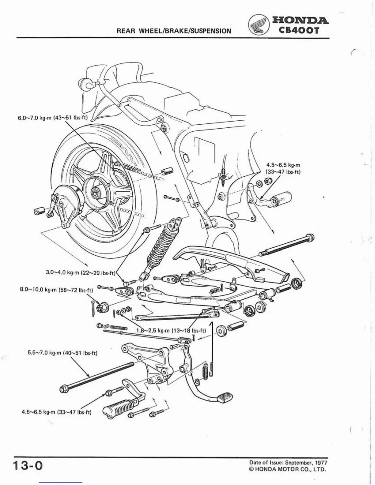
REAR WHEELIBRAKEISUSPENSION
C840OT
13-0
Date
of
Issue:
September,
1977
O
HONDA MOTOR CO.,
LTD.

Table of Contents

Related product manuals