EasyManua.ls Logo

Honda CM400A - Cylinder Head;Valve Service

Honda CM400A
317 pages
Print Icon
To Next Page IconTo Next Page
To Next Page IconTo Next Page
To Previous Page IconTo Previous Page
To Previous Page IconTo Previous Page
Loading...
HONDA
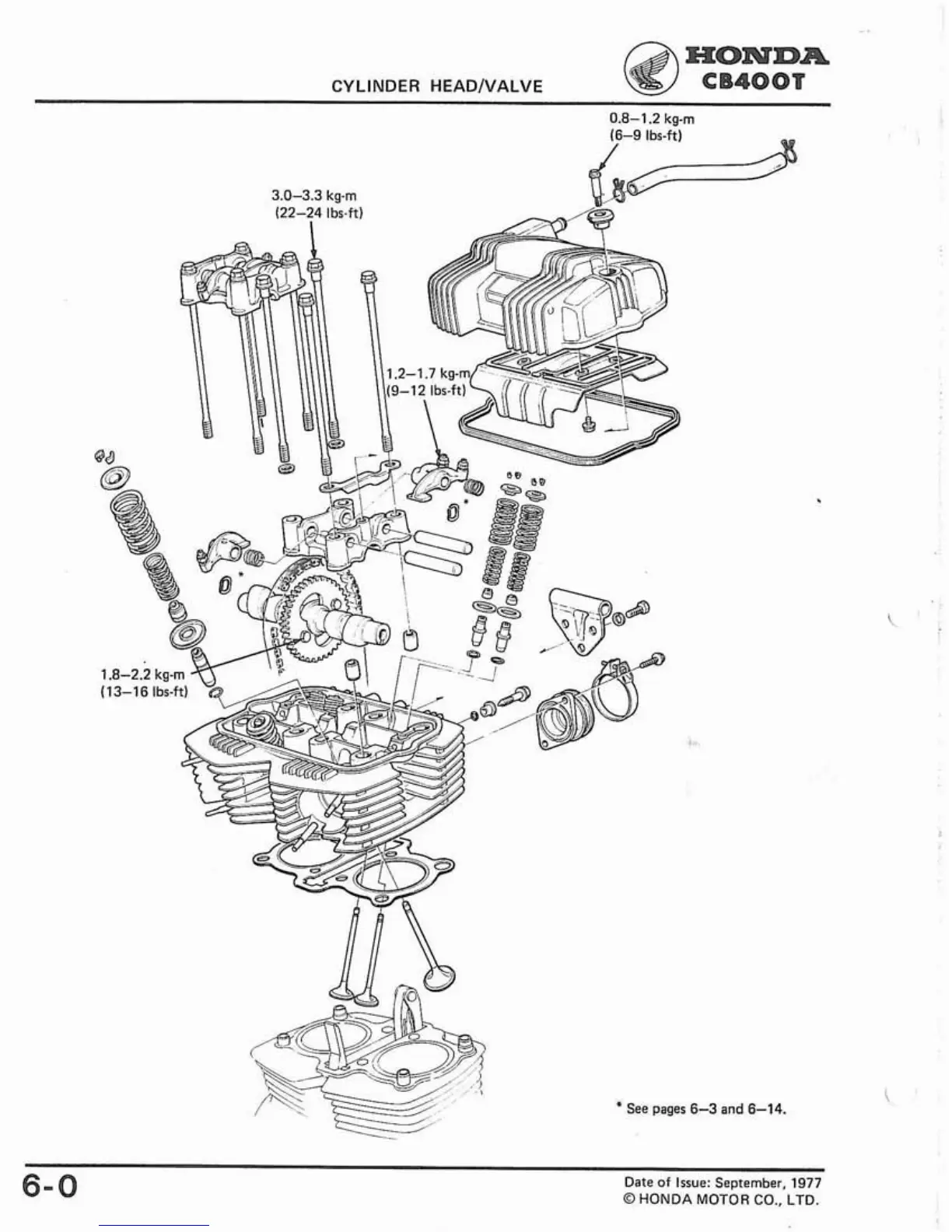
CYLINDER HEADIVALVE
CB40OT
0.8-1.2
kg-m
See pages
6-3
and
6-14.
6-0
Date
of
Issue: September.
1977
0
HONDA MOTOR CO., LTD.

Table of Contents

Related product manuals