EasyManua.ls Logo

Intel 8253 - Page 251

Intel 8253
773 pages
Print Icon
To Next Page IconTo Next Page
To Next Page IconTo Next Page
To Previous Page IconTo Previous Page
To Previous Page IconTo Previous Page
Loading...
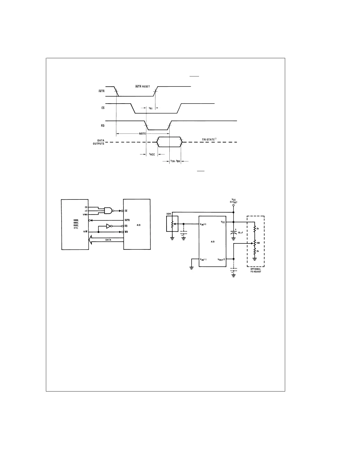
Timing Diagrams (All timing is measured from the 50
%
voltage points) (Continued)
Typical Applications
Output Enable and Reset with INTR
DS005671-52
Note: Read strobe must occur 8 clock periods (8/f
CLK
) after assertion of interrupt to guarantee reset of INTR .
6800 Interface
DS005671-53
Ratiometeric with Full-Scale Adjust
DS005671-54
Note: before using caps at V
IN
or V
REF
/2,
see section 2.3.2 Input Bypass Capacitors.
ADC0801/ADC0802/ADC0803/ADC0804/ADC0805
www.national.com7

Table of Contents