EasyManua.ls Logo

Intel 8253 - Page 252

Intel 8253
773 pages
Print Icon
To Next Page IconTo Next Page
To Next Page IconTo Next Page
To Previous Page IconTo Previous Page
To Previous Page IconTo Previous Page
Loading...
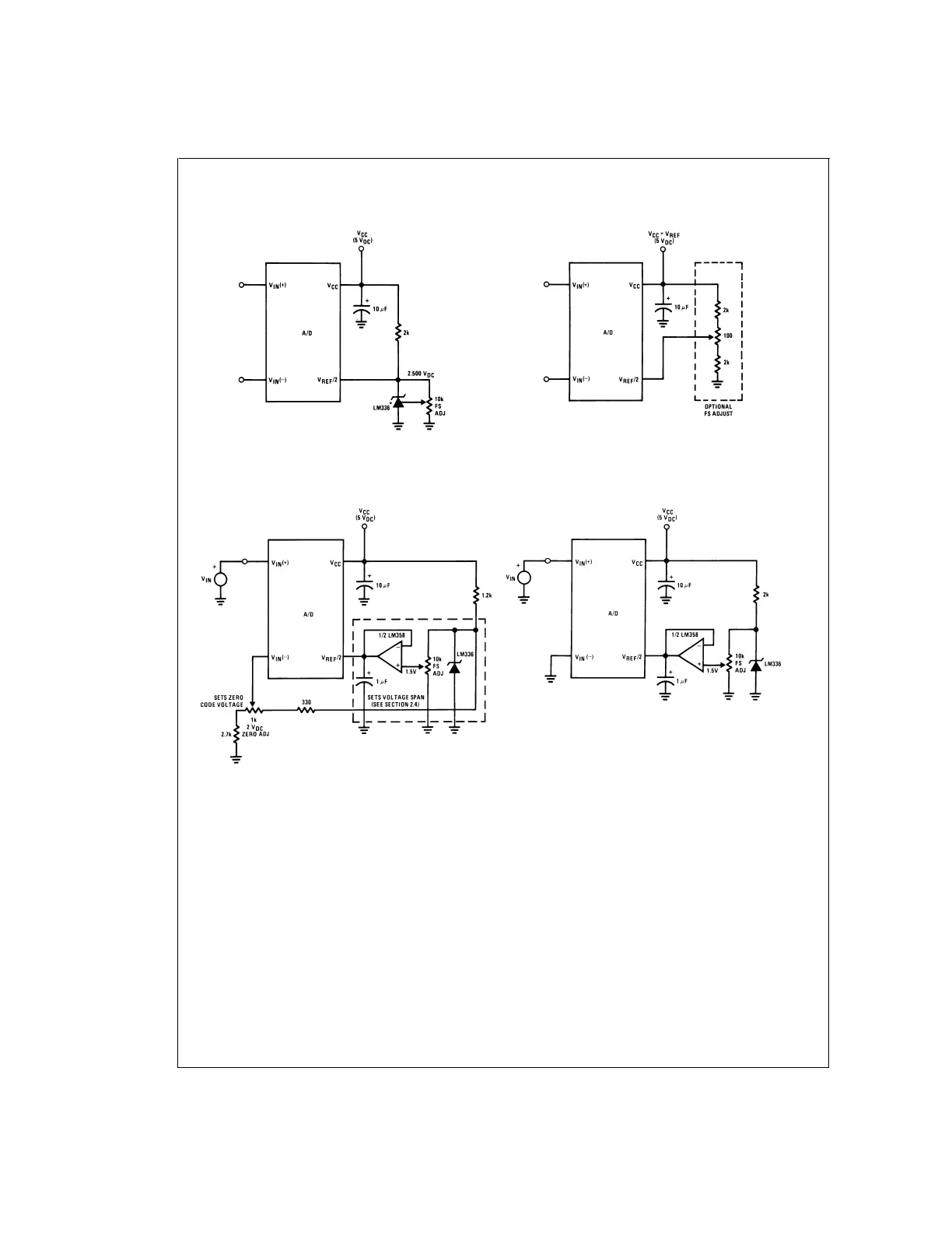
Typical Applications (Continued)
Absolute with a 2.500V Reference
DS005671-55
*For low power, see also LM385–2.5
Absolute with a 5V Reference
DS005671-56
Zero-Shift and Span Adjust: 2V V
IN
5V
DS005671-57
Span Adjust: 0V V
IN
3V
DS005671-58
ADC0801/ADC0802/ADC0803/ADC0804/ADC0805
www.national.com 8

Table of Contents