EasyManua.ls Logo

Intel 8253 - Page 253

Intel 8253
773 pages
Print Icon
To Next Page IconTo Next Page
To Next Page IconTo Next Page
To Previous Page IconTo Previous Page
To Previous Page IconTo Previous Page
Loading...
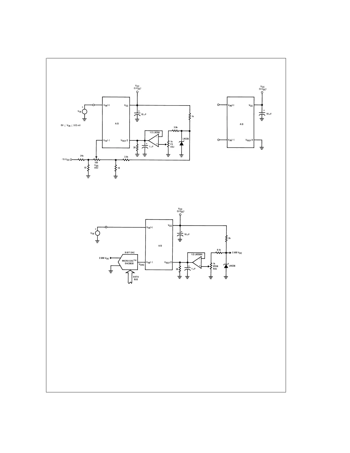
Typical Applications (Continued)
Directly Converting a Low-Level Signal
DS005671-59
V
REF
/2
=
256 mV
A µP Interfaced Comparator
DS005671-60
For:
V
IN
(+)
>
V
IN
(−)
Output
=
FF
HEX
For:
V
IN
(+)
<
V
IN
(−)
Output
=
00
HEX
1 mV Resolution with µP Controlled Range
DS005671-61
V
REF
/2
=
128 mV
1 LSB
=
1mV
V
DAC
V
IN
(V
DAC
+256 mV)
0 V
DAC
<
2.5V
ADC0801/ADC0802/ADC0803/ADC0804/ADC0805
www.national.com9

Table of Contents