EasyManua.ls Logo

Intel 8253 - Page 254

Intel 8253
773 pages
Print Icon
To Next Page IconTo Next Page
To Next Page IconTo Next Page
To Previous Page IconTo Previous Page
To Previous Page IconTo Previous Page
Loading...
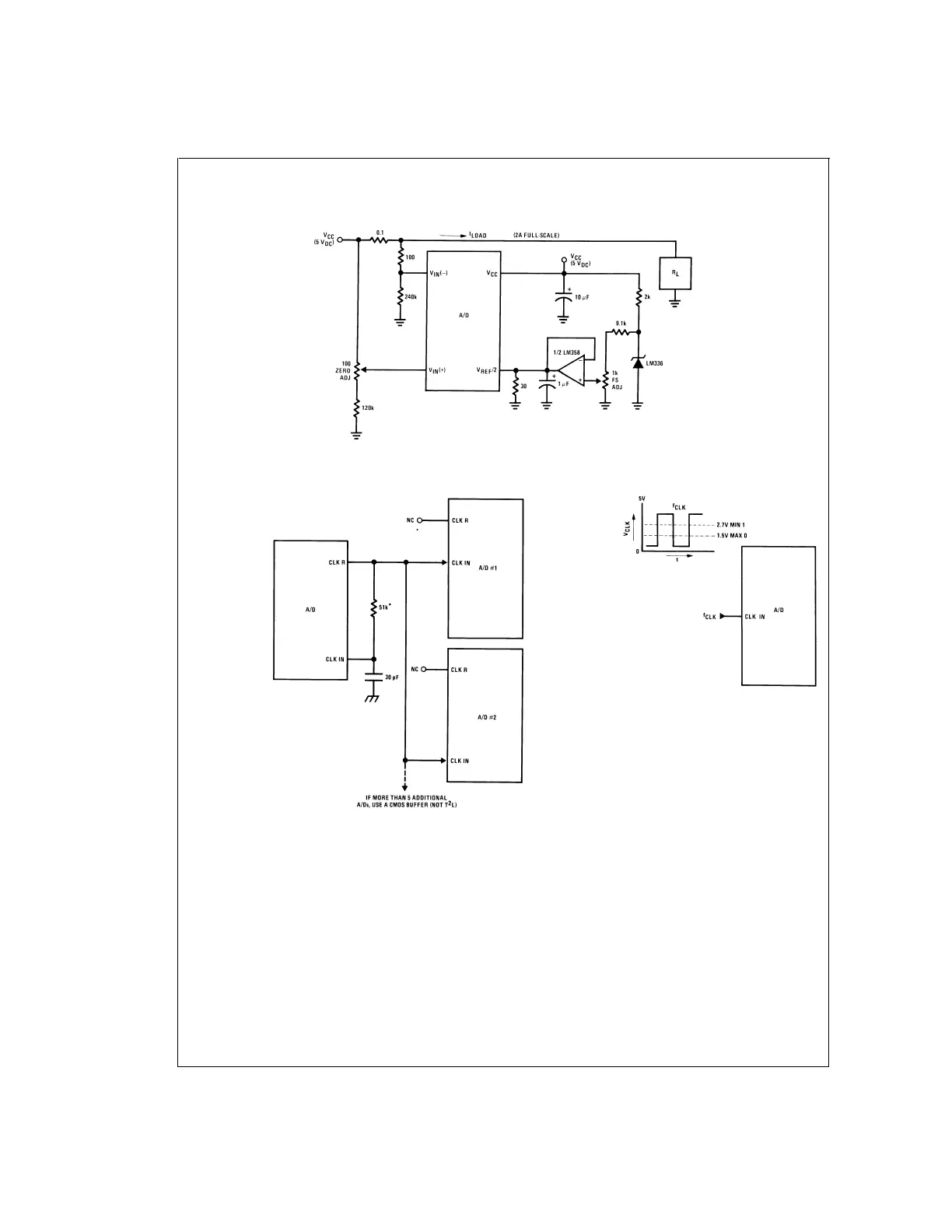
Typical Applications (Continued)
Digitizing a Current Flow
DS005671-62
Self-Clocking Multiple A/Ds
DS005671-63
* Use a large R value
to reduce loading
at CLK R output.
External Clocking
DS005671-64
100 kHzf
CLK
1460 kHz
ADC0801/ADC0802/ADC0803/ADC0804/ADC0805
www.national.com 10

Table of Contents