EasyManua.ls Logo

Intel 8253 - Page 255

Intel 8253
773 pages
Print Icon
To Next Page IconTo Next Page
To Next Page IconTo Next Page
To Previous Page IconTo Previous Page
To Previous Page IconTo Previous Page
Loading...
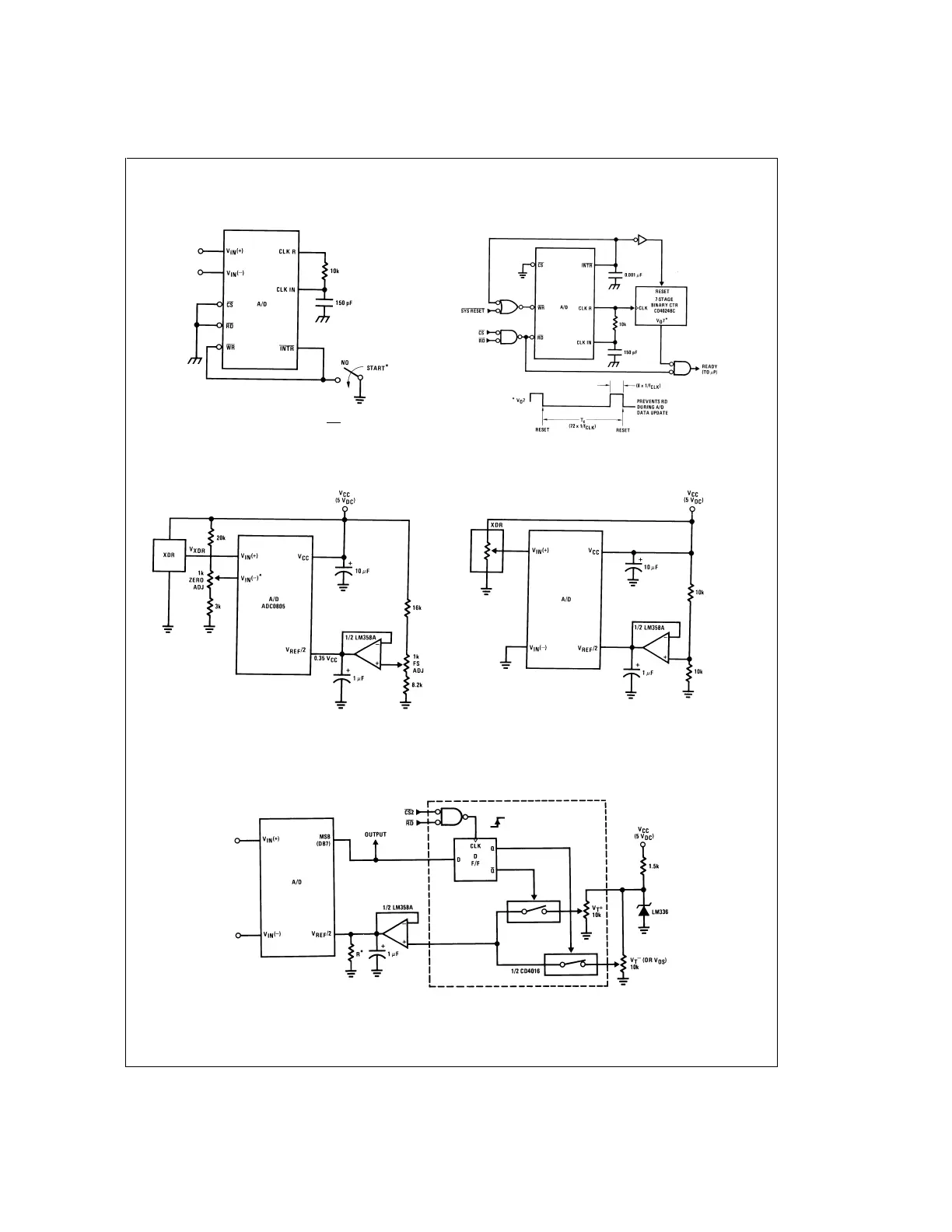
Typical Applications (Continued)
Self-Clocking in Free-Running Mode
DS005671-65
*After power-up, a momentary grounding of the WR input is needed to
guarantee operation.
µP Interface for Free-Running A/D
DS005671-66
Operating with “Automotive” Ratiometric Transducers
DS005671-67
*V
IN
(−)
=
0.15 V
CC
15
%
of V
CC
V
XDR
85
%
of V
CC
Ratiometric with V
REF
/2 Forced
DS005671-68
µP Compatible Differential-Input Comparator with Pre-Set V
OS
(with or without Hysteresis)
DS005671-69
*See
Figure 5
to select R value
DB7
=
“1” for V
IN
(+)
>
V
IN
(−)+(V
REF
/2)
Omit circuitry within the dotted area if
hysteresis is not needed
ADC0801/ADC0802/ADC0803/ADC0804/ADC0805
www.national.com11

Table of Contents