EasyManua.ls Logo

Intel 8253 - Page 256

Intel 8253
773 pages
Print Icon
To Next Page IconTo Next Page
To Next Page IconTo Next Page
To Previous Page IconTo Previous Page
To Previous Page IconTo Previous Page
Loading...
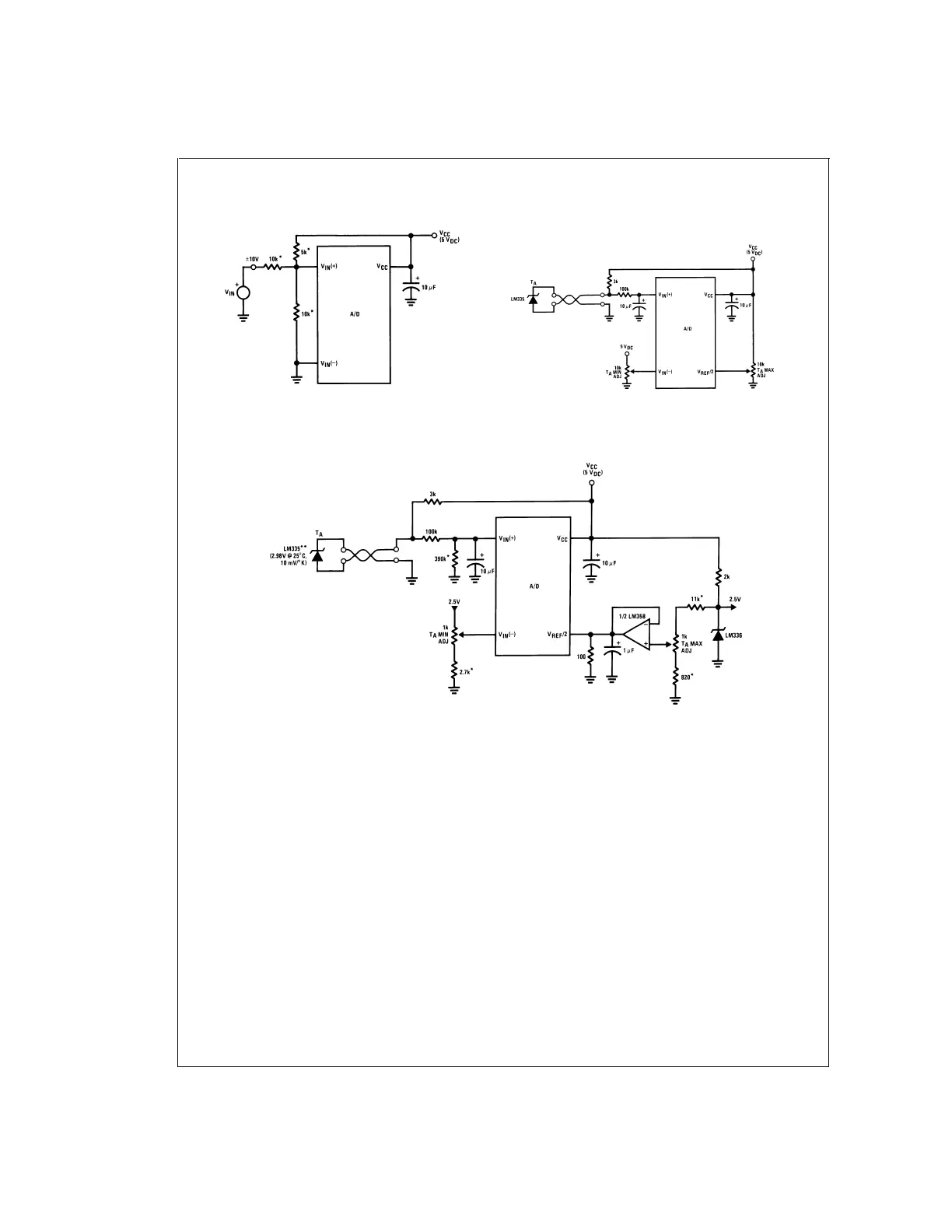
Typical Applications (Continued)
Handling
±
10V Analog Inputs
DS005671-70
*Beckman Instruments
#
694-3-R10K resistor array
Low-Cost, µP Interfaced, Temperature-to-Digital
Converter
DS005671-71
µP Interfaced Temperature-to-Digital Converter
DS005671-72
*Circuit values shown are for 0˚CT
A
+128˚C
**
*
Can calibrate each sensor to allow easy replacement, then A/D can be calibrated with a pre-set input voltage.
ADC0801/ADC0802/ADC0803/ADC0804/ADC0805
www.national.com 12

Table of Contents