EasyManua.ls Logo

Intel 8253 - Page 257

Intel 8253
773 pages
Print Icon
To Next Page IconTo Next Page
To Next Page IconTo Next Page
To Previous Page IconTo Previous Page
To Previous Page IconTo Previous Page
Loading...
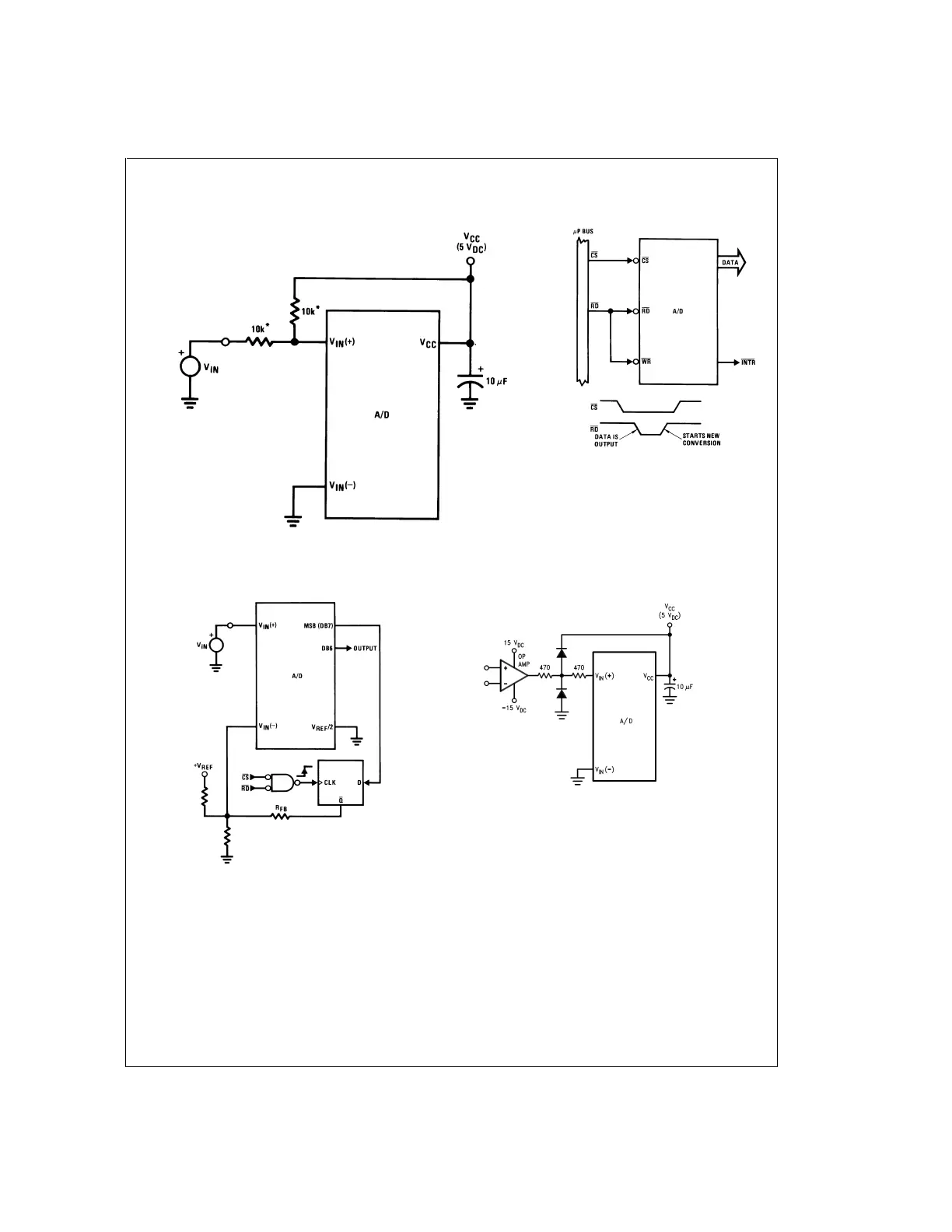
Typical Applications (Continued)
Handling
±
5V Analog Inputs
DS005671-33
*Beckman Instruments
#
694-3-R10K resistor array
Read-Only Interface
DS005671-34
µP Interfaced Comparator with Hysteresis
DS005671-35
Protecting the Input
DS005671-9
Diodes are 1N914
ADC0801/ADC0802/ADC0803/ADC0804/ADC0805
www.national.com13

Table of Contents