EasyManua.ls Logo

Panasonic FP0R - Page 188

Panasonic FP0R
348 pages
Print Icon
To Next Page IconTo Next Page
To Next Page IconTo Next Page
To Previous Page IconTo Previous Page
To Previous Page IconTo Previous Page
Loading...
8-48
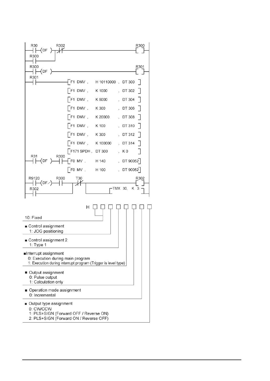
Sample program
Control code
Precautions during programming
- For using the pulse output function, it is necessary to set the system register No. 402.
- When the instruction is started during the interrupt program, specify the execution in the interrupt
program with the control code. When describing the same channel in both the normal program and the
interrupt program, be sure to program not to execute them simultaneously.

Table of Contents

Related product manuals