EasyManua.ls Logo

Panasonic FP0R - Precaution When Using LED-Equipped Reed Switch; Precaution When Using Two-Wire Type Sensor; Voltage Output Type; Wiring of Input and Output

Panasonic FP0R
348 pages
Print Icon
To Next Page IconTo Next Page
To Next Page IconTo Next Page
To Previous Page IconTo Previous Page
To Previous Page IconTo Previous Page
Loading...
5-8
5.3 Wiring of Input and Output
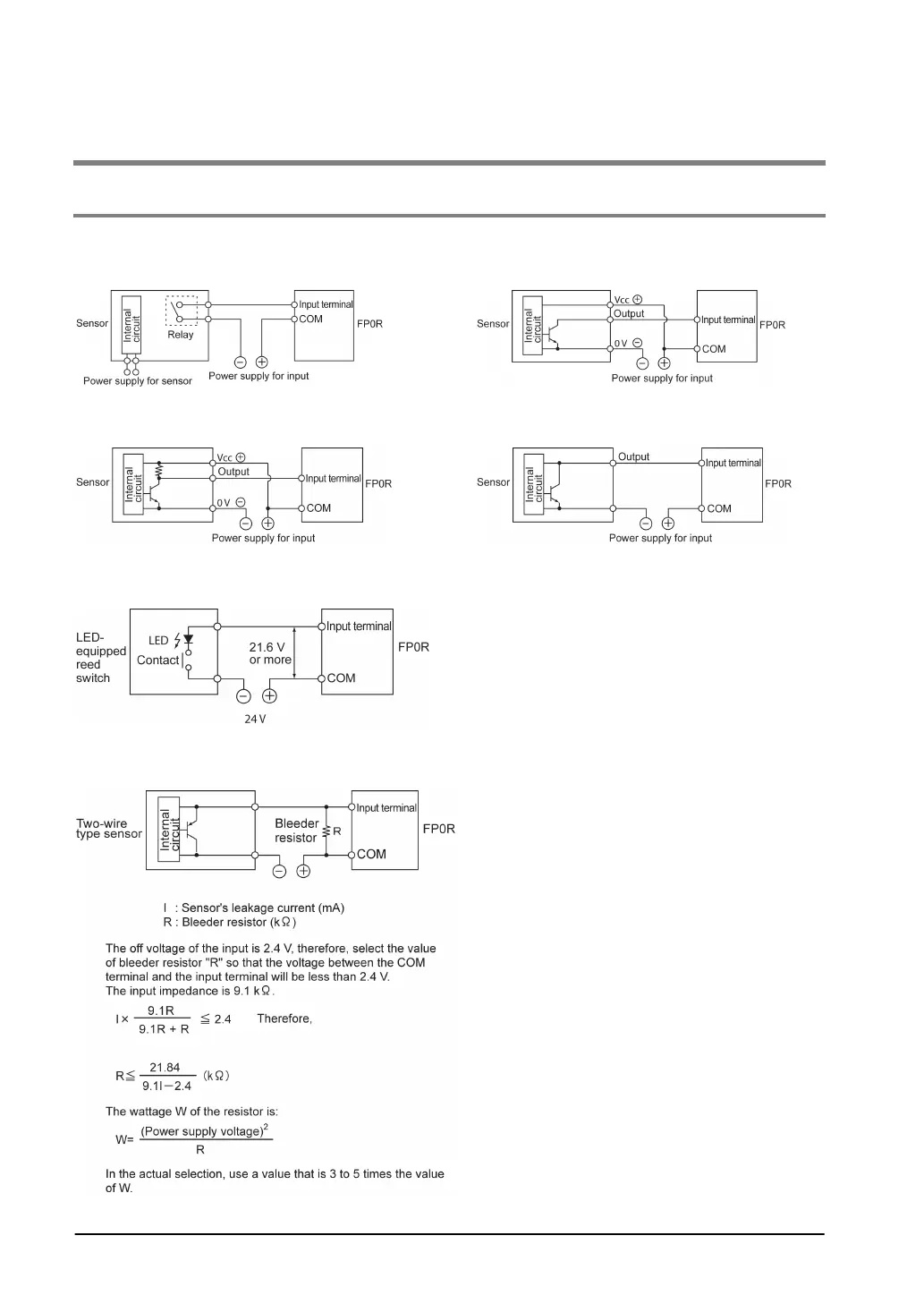
5.3.1 Input Wiring
Connection of photoelectric sensor and proximity sensor
Relay output type NPN open collector output type
Voltage output type
Two-wire output type
Precaution when using LED-equipped reed switch
When a LED is connected in series to an input
contact such as LED-equipped reed switch,
make sure that the voltage applied to the PLC
input terminal is greater than the ON voltage. In
particular, take care when connecting a number
of switches in series.
Precaution when using two-wire type sensor
If the input of PLC does not turn off because of
leakage current from the two-wire type sensor
"photoelectric sensor or proximity sensor", the
use of a bleeder resistor is recommended, as
shown on the left.
The formula is based on an input impedance of
9.1 kΩ. The input impedance varies depending
on the input terminal number.

Table of Contents

Related product manuals