EasyManua.ls Logo

Panasonic FP0R - Table of I;O Allocation

Panasonic FP0R
348 pages
Print Icon
To Next Page IconTo Next Page
To Next Page IconTo Next Page
To Previous Page IconTo Previous Page
To Previous Page IconTo Previous Page
Loading...
8-24
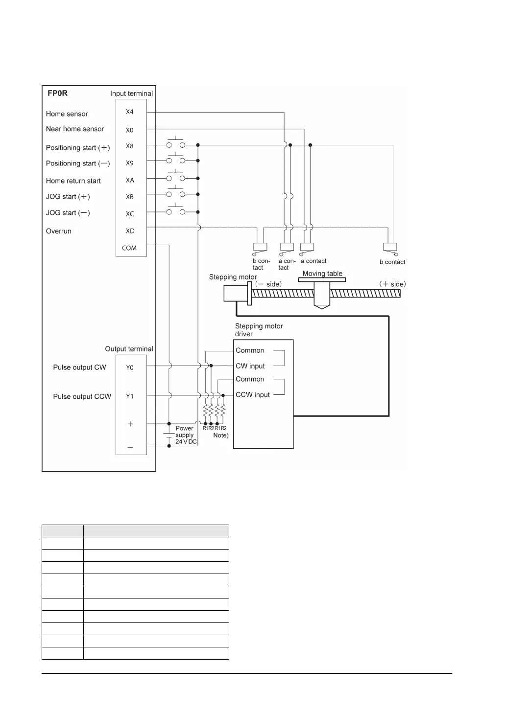
Wiring example
Note) When the stepping motor input is a 5 V optical coupler type, connect a resister of 2 k (1/2 W) to
R1, and connect a resistor of 2 k (1/2 W) 470 (2 W) to R2.
Table of I/O allocation
I/O No.
Description
X4
Home sensor input
X0
Near home sensor input
X8
Positioning start signal (+)
X9
Positioning start signal (-)
XA
Home return start signal
XB
JOG start signal (+)
XC
JOG start signal (-)
XD
Overrunning signal
Y0
Pulse output CW
Y1
Pulse output CCW

Table of Contents

Related product manuals