EasyManua.ls Logo

Panasonic FP0R - Cable;Adapter Specifications

Panasonic FP0R
348 pages
Print Icon
To Next Page IconTo Next Page
To Next Page IconTo Next Page
To Previous Page IconTo Previous Page
To Previous Page IconTo Previous Page
Loading...
14-7
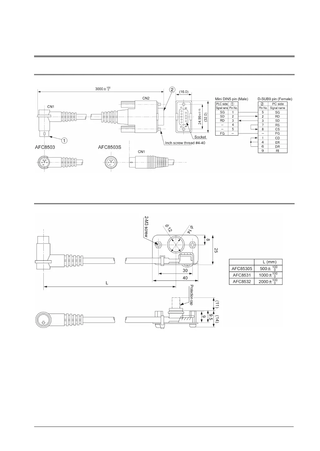
14.2 Cable/Adapter Specifications
14.2.1 AFC8503/AFC8503S (PC connection cable)
(Unit: mm)
14.2.2 AFC85305/AFC8531/AFC8532 (For extending for the tool port)
(Unit: mm)

Table of Contents

Related product manuals