EasyManua.ls Logo

Ricoh D065 - Internal Dust Filter; Optics Dust Filter; Toner Cooling Fan

Ricoh D065
1351 pages
Print Icon
To Next Page IconTo Next Page
To Next Page IconTo Next Page
To Previous Page IconTo Previous Page
To Previous Page IconTo Previous Page
Loading...
Drum Unit
SM 4-41 D062/D063/D065/D066
Replacement
and
Adjustment
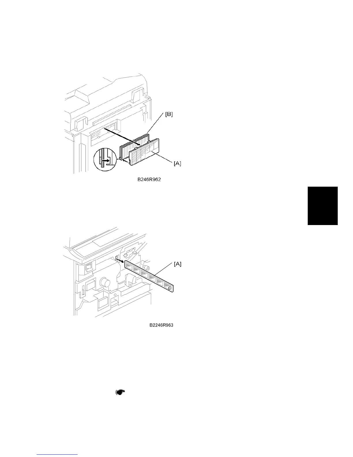
4.6.18 OPTICS DUST FILTER
1. Filter cover [A]
2. Optics dust filter [B]
4.6.19 INTERNAL DUST FILTER
1. Open the front door.
2. Pull the toner bottle holder out and swing the toner bottle holder to the right.
3. Remove the PCU inner cover.
4. Pull out the internal dust filter [A].
4.6.20 TONER COOLING FAN
1. Operation panel ( p.4-6)

Table of Contents

Related product manuals