EasyManua.ls Logo

Ricoh K-C3 - Paper Feed System; Paper Feed System Overview

Ricoh K-C3
289 pages
To Next Page IconTo Next Page
To Next Page IconTo Next Page
To Previous Page IconTo Previous Page
To Previous Page IconTo Previous Page
Loading...
B245/B276/B277/B268/B269 Service Manual 18-Jan-06
231
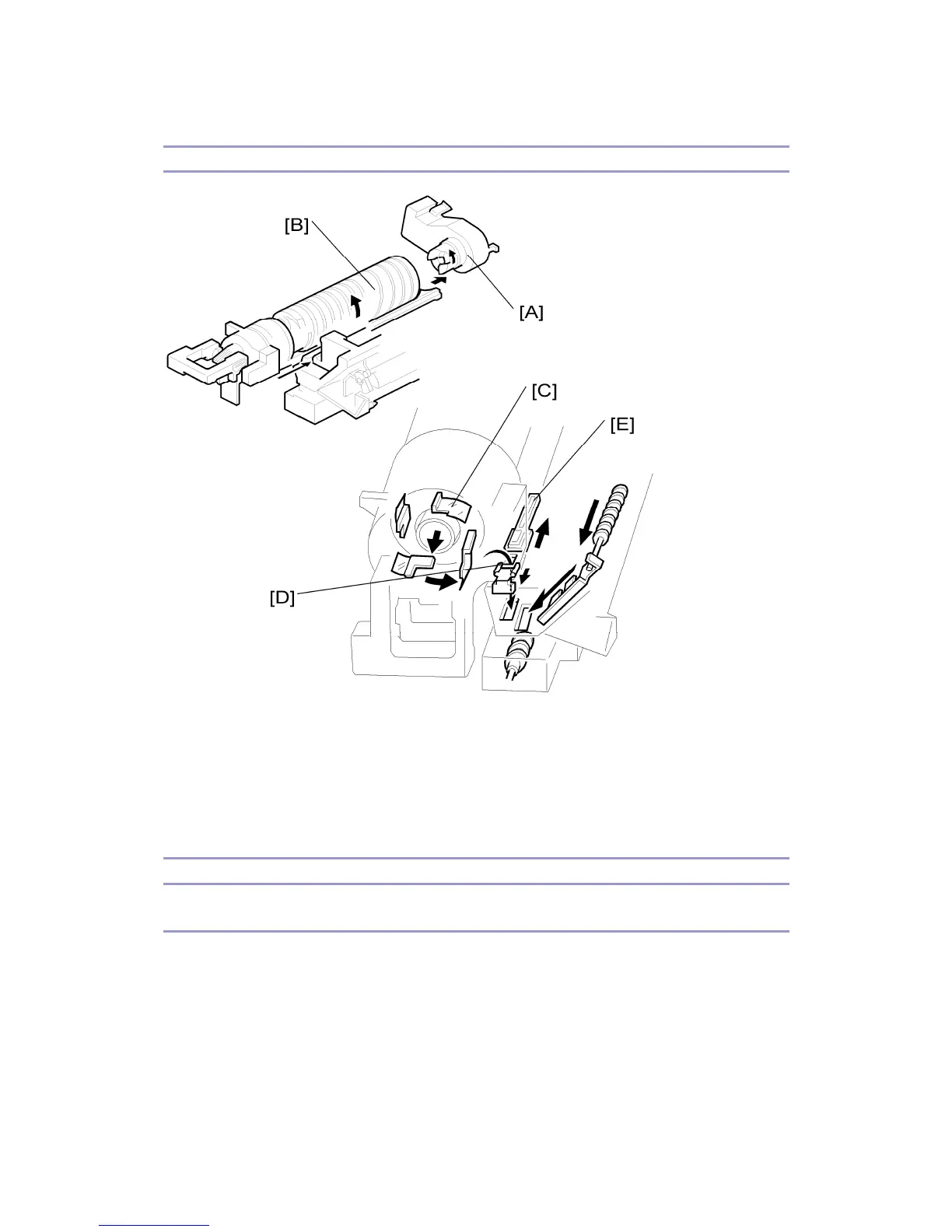
Toner Supply Mechanism
The toner supply motor [A] drives the toner bottle [B] and the mylar blades [C]. First, the toner
falls down into the toner bottle holder. The toner supply mylar blades transfer the toner to the
slit [D]. When the PCU is installed in the machine, the shutter [E] above the PCU is opened by
the toner bottle holder. Then the toner falls down into the development unit through the slit
and the shutter.
Toner Density Control
Overview
There are four modes for controlling toner supply as shown in the following tables, which can
be changed with by SP 2921. The factory setting is sensor control 1 mode.
Basically, the toner concentration in the developer is controlled using the standard TD sensor
voltage (Vts), toner supply reference voltage (Vref), actual TD sensor output voltage (Vt), and
ID sensor output data (Vsp/Vsg).

Table of Contents

Related product manuals