EasyManua.ls Logo

Ricoh K-C3 - Page 50

Ricoh K-C3
289 pages
Print Icon
To Next Page IconTo Next Page
To Next Page IconTo Next Page
To Previous Page IconTo Previous Page
To Previous Page IconTo Previous Page
Loading...
B245/B276/B277/B268/B269 Service Manual 18-Jan-06
41
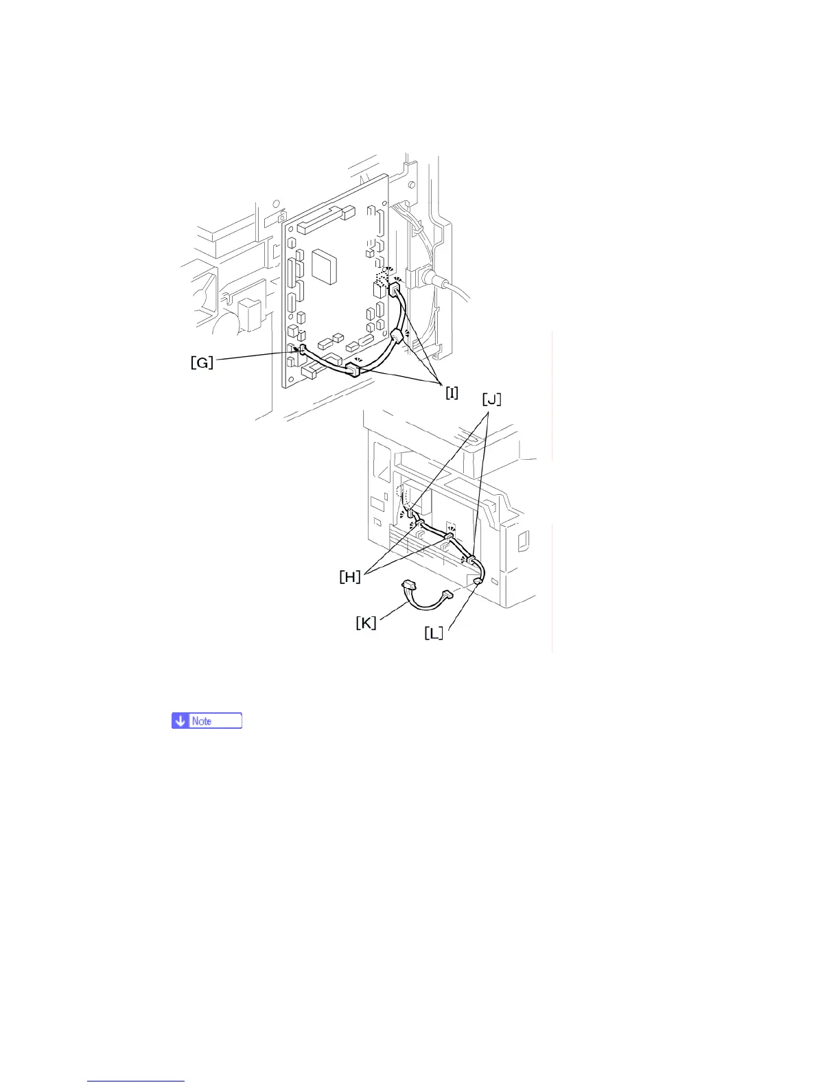
8. Connect the connector [G] to CN126 on the BICU.
9. Hold the harness with the clamps [H][I][J].
The relay harness is not included in the key counter bracket accessories
10. Join the relay harness [K] with the connector [L].
11. Reinstall the rear cover.

Table of Contents

Related product manuals