EasyManua.ls Logo

Risco ProSYS Plus - Main Panel Mounting Considerations - Wireless Systems

Risco ProSYS Plus
280 pages
Print Icon
To Next Page IconTo Next Page
To Next Page IconTo Next Page
To Previous Page IconTo Previous Page
To Previous Page IconTo Previous Page
Loading...
11
/
2017 Page 23 5IN2413 B
Step 1: Creating a Plan for Mounting the System
Before you mount the main panel and peripheral system components, make a plan
for obtaining the most optimal location. Depending on the configuration
requirements, the main panel should typically be:
Centrally located for minimizing lengthy bus line/expansion module wire runs
In a location with good GSM reception
In a secure location that is hidden and not reachable by those for whom use is
unintended (such as small children)
Near an uninterrupted 230 VAC electrical outlet, an easily-accessible
disconnection device such as a circuit breaker (if permanently connected to the
electrical power supply), grounding connection, and network cable outlet, as
needed
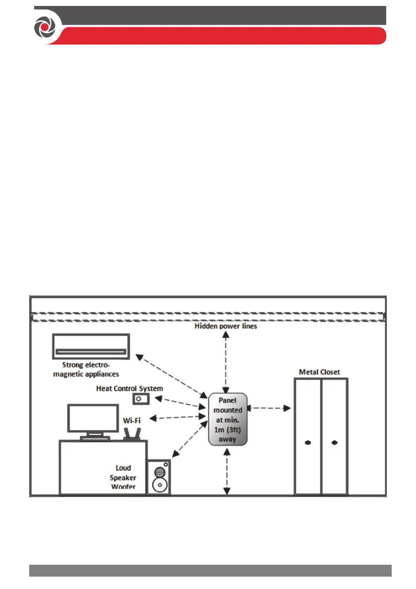
In a dry place, away from sources of disturbance (including electrical, RF and
heat), and not near large metal objects which may hinder reception
Main Panel Mounting Considerations – Wireless Systems

Table of Contents

Other manuals for Risco ProSYS Plus

Related product manuals