EasyManua.ls Logo

Risco ProSYS Plus - Wiring Resistors for Zone Termination Resistance; Zone Termination Configuration Options

Risco ProSYS Plus
280 pages
Print Icon
To Next Page IconTo Next Page
To Next Page IconTo Next Page
To Previous Page IconTo Previous Page
To Previous Page IconTo Previous Page
Loading...
11
/
2017 Page 47 5IN2413 B
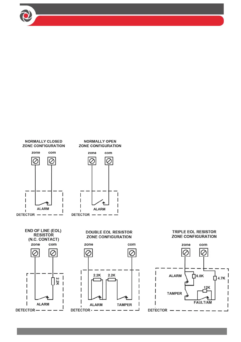
Wiring Resistors for Zone Termination Resistance
To wire termination resistors:
For RISCO EOL (end-of-line) and DEOL (double-end-of-line) detectors without
built-in termination resistance, install a 2.2K Ω end-of-line resistor at the
detector-side of each hard-wired zone
For a detector with a tamper switch, you can use DEOL termination to save
additional main panel connections
For RISCO TEOL (triple-end-of-line) detectors without built-in EOL resistance,
install 4.7K Ω, 6.8K Ω and 12K Ω resistors at the detector-side of each hard-
wired zone. TEOL is supported to identify detector masking and trouble.
Zone Termination Configuration Options

Table of Contents

Other manuals for Risco ProSYS Plus

Related product manuals