EasyManua.ls Logo

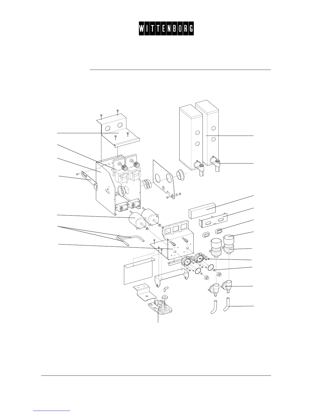
Wittenborg FB 5100 - Components of the Left Instant Ingredient Unit

Wittenborg FB 5100
366 pages
Print Icon
To Next Page IconTo Next Page
To Next Page IconTo Next Page
To Previous Page IconTo Previous Page
To Previous Page IconTo Previous Page
Loading...
4
Components of the left instant ingredient unit
Parts (IN only)
1
3
5
7
8
9
2
19
10
11
15
16
12
17
18
6
4
20
13

Table of Contents

Related product manuals