EasyManua.ls Logo

Brunswick Sync - Page 11

Brunswick Sync
278 pages
Print Icon
To Next Page IconTo Next Page
To Next Page IconTo Next Page
To Previous Page IconTo Previous Page
To Previous Page IconTo Previous Page
Loading...
System Overview 7
(5)
PRINTER
(8)
MOUSE
(6)
SYNC
SERVER
(10)
KEYBOARD
(11)
CAT5E
CABLE
(9)
ETHERNET
SWITCH
(16-PORT)
(1)
CONTROL DESK
AREA
(17)
SCORESHEET
PRINTER
(16)
CASH DRAWER
(13)
TOUCHSCREEN
MONITOR
(8)
MOUSE
(12)
SYNC
CLIENT
(10)
KEYBOARD
(15)
RECEIPT
PRINTER
(18)
BAR CODE SCANNER
(OPTIONAL)
(14)
POLE
DISPLAY
(OPTIONAL)
(16)
CASH DRAWER
(13)
TOUCHSCREEN
MONITOR
(15)
RECEIPT
PRINTER
(14)
POLE
DISPLAY
(OPTIONAL)
(18)
BAR CODE
SCANNER
(OPTIONAL)
(11)
CAT5E
CABLE
(3)
BOWLER'S AREA
(2)
PINSETTER AREA
(7)
ETHERNET
SWITCH
(24 PORT)
NETGEAR
PROSAFE JFS524
Green Link at 100M
Off = Link at 10M
1 357
2
468
9
11
13
10
15 17 19 21 23
12 14 16 18 20 22 24
1 3579
1311 15 17 19 21 23
2468
1412 16 18 20 22 2410
Link/Act
Green Link at 100M
Off = Link at 10M
Link/Act
Power
Reset
(11)
CAT5E
CABLE
(27)
PERIPHERAL
CONTROLLER
(4)
PER
LANE PAIR
(26)
PINSETTERS
(28)
BUMPERS
(11)
CAT5E
CABLE
LAN
BUMPER
CAMERA KEYPAD
GS PINSETTER
2X 2.0AMP, 250V
SLOW BLOW FUSES
(20) TV VIDEO
(21) A/V SOURCES
(22) AUDIO
(23) VIDEO
(19)
TV
DISTRIBUTION
CENTER
HD
HD
HD
NETGEAR
PROSAFE JFS524
Green Link at 100M
Off = Link at 10M
1 357
2
468
9
11
13
10
15 17 19 21 23
12 14 16 18 20 22 24
1 3579
1311 15 17 19 21 23
2468
1412 16 18 20 22 2410
Link/Act
Green Link at 100M
Off = Link at 10M
Link/Act
Power
Reset
(7)
ETHERNET
SWITCH
(24 PORT)
(25)
OVERHEAD
DISPLAYS
VGA
HDMI 1
HDMI 2
COM 2COM 4
COM 3
DC IN 12V
SYS
HDD
USB
KB/MS
USB USB
LAN
LAN
LINE IN
LINE OUT
MIC IN
COM 1
(30)
DISPLAY
CONTROLLER
(11)
CAT5E
CABLE
(9)
ETHERNET
SWITCH
(16 PORT)
(29)
SYNC
TABLET
(4)
PER
LANE PAIR
(11)
CAT5E
CABLE
(11)
CAT5E
CABLE
NETGEAR
ProSafe GS116E
1 86
5
43
2
7
Both=1000M
100M 10M
On = Link,
Blink= ACT
9
1614
12
1110
15
13
Factory
Defaults
Power
NETGEAR
ProSafe GS116E
1 86
5
43
2
7
Both=1000M
100M 10M
On = Link,
Blink= ACT
9
1614
12
1110
15
13
Factory
Defaults
Power
1
2
ABC
3
DEF
4
GHI
JKL
5
MNO
6
7
PQRS
TUV
WXYZ
8
9
0
*
#
1
2
ABC
3
DEF
4
GHI
JKL
5
MNO
6
7
PQRS
TUV
WXYZ
8
9
0
*
#
(31)
INTERCOM
1
2
3
45
6
7
89
0
*
#
x
QZ
ABC DEF
GHI JKL
MNO
PRS TUVWXY
’”
-SP
VX 805
LAN ECR/ MSR/ RESET
AUX PIN PAD PARAMS
ON
USB
5VDC
(32)
CREDIT CARD
TERMINAL
(11)
CAT5E
CABLE
(11)
CAT5E
CABLE
(31)
INTERCOM
1
2
3
45
6
7
89
0
*
#
x
QZ
ABCDEF
GHI JKL
MNO
PRS TUVWXY
’”
-SP
VX 805
LAN ECR/ MSR/ RESET
AUX PIN PAD PARAMS
ON
USB
5VDC
(32)
CREDIT CARD
TERMINAL
(11)
CAT5E
CABLE
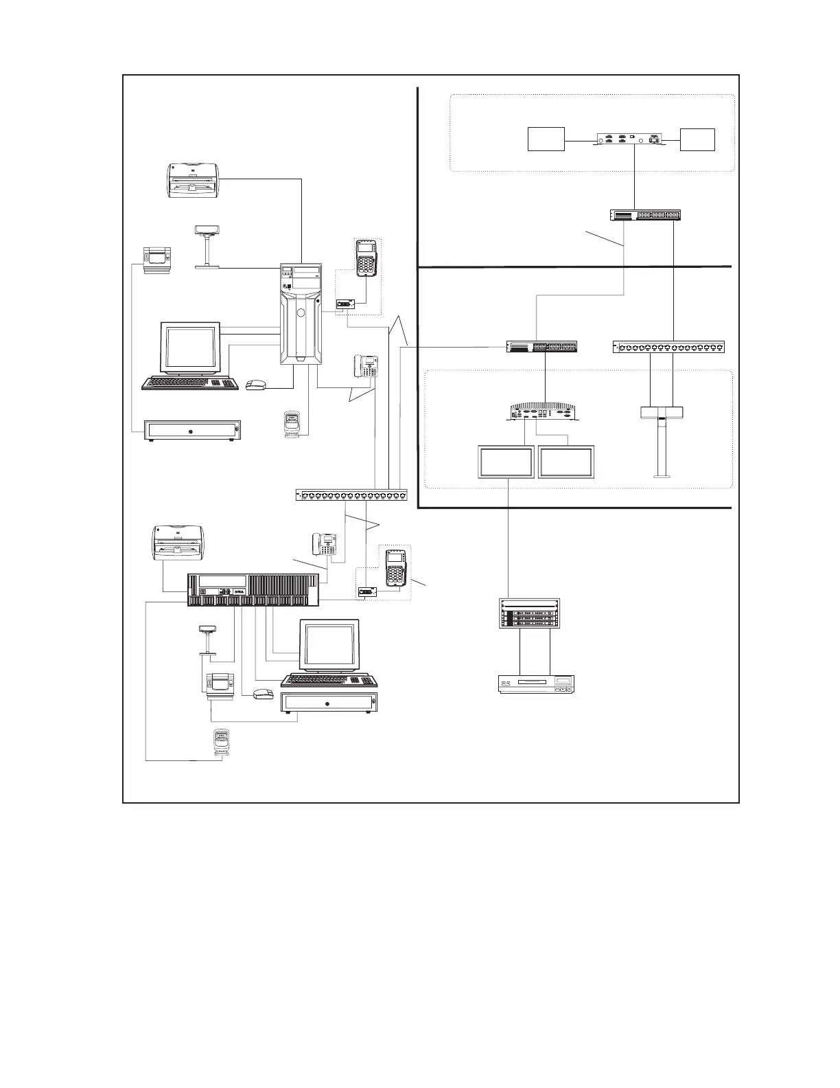
Sync Conguration 2
(1) CONTROL DESK AREA (2) PINSETTER AREA (3) BOWLER’S AREA
(4) PER LANE PAIR (5) PRINTER (6) SYNC SERVER
(7) MONITOR (8) MOUSE (9) ETHERNET SWITCH (16 PORT)
(10) KEYBOARD (11) CAT5E CABLE (12) SYNC CLIENT
(13) TOUCHSCREEN MONITOR (14) POLE DISPLAY (OPTIONAL) (15) RECEIPT PRINTER
(16) CASH DRAWER (17) SCORESHEET PRINTER (18) BAR CODE READER (OPTIONAL)
(19) TV DISTRIBUTION CENTER (20) TV VIDEO (21) A/V SOURCE(S)
(22) AUDIO (23) VIDEO (24) ETHERNET SWITCH (24 PORT)
(25) OVERHEAD DISPLAYS (26) PINSETTERS (27) PERIPHERAL CONTROLLER
(28) BUMPERS (29) SYNC TABLET (30) DISPLAY CONTROLLER
(31) INTERCOM (32) CREDIT CARD TERMINAL

Table of Contents

Other manuals for Brunswick Sync

Related product manuals