EasyManua.ls Logo

Brunswick Sync - GS-98 Non-Direct Connect, GS-96, GS-92 and GS-10 Pinsetters

Brunswick Sync
278 pages
Print Icon
To Next Page IconTo Next Page
To Next Page IconTo Next Page
To Previous Page IconTo Previous Page
To Previous Page IconTo Previous Page
Loading...
48 Sync Scorer Components
GS-98 Non-Direct Connect, GS-96, GS-92 and GS-10 Pinsetters
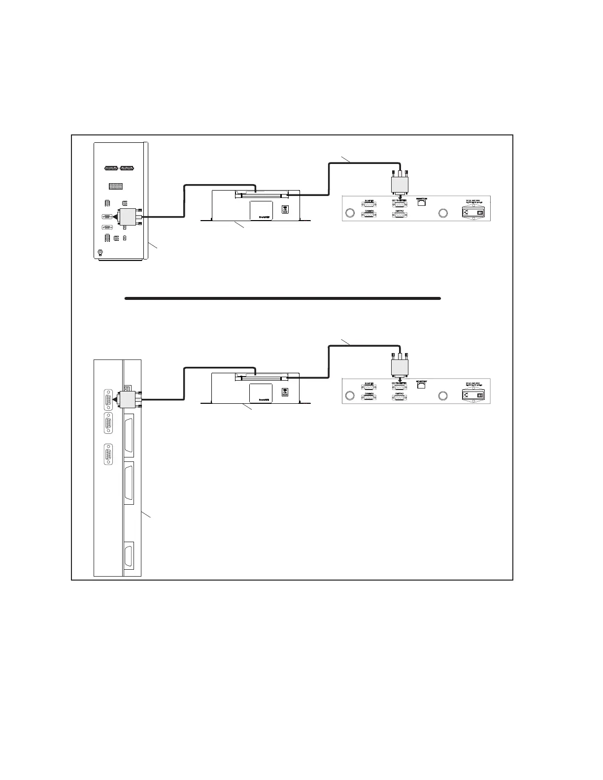
Brunswicks GS-98 Non-Direct Connect, GS-96, GS-92, and GS-10 pinsetters require an interface
box between the pinsetter and the Peripheral Controller. The purpose of this box is to translate
communication to format format that can be used by the GS machine. Refer to gures titled Cabling -
Non Direct Connect Pinsetters.
P1
LEFT SIDE
FUNCTION
SWITCHES
& SOLENOIDS
RIGHT SIDE
FUNCTION
SWITCHES
TROUBLE LIGHT
& BALL DOOR
TABLE SWITCH
& SOLENOIDS
MASKING
CONTROL
UNIT
COMLINE "IN"
COMLINE "OUT"
OVERHEAD
CONTROL
MGR'S
LANE
CONTROL
REAR
BOX
CONTROL
BALL
BACK
RESET
BALL
LIFT
MICRO
PROCESSOR
CONTROL
P2
P3
P4
P6
P8 P9
P10
P11
P12
P7
P5
(4)
CONSOLDATED
ELECTRONICS
(LEFT SIDE)
P6
BUMPER
CAMERA KEYPAD
GS PINSETTER
2X 2.0 AMP, 250V
SLOW BLOW FUSES
ETHERNET
(1)
PINSETTER
DATA CABLE
(3)
PERIPHERAL
CONTROLLER
INTERFACE CONTROLLER
HDLC/ GS PINSETTER
57-300565
R
SERIAL NO.
MODEL NO.
28 VAC, 50/60 Hz, 2A
ALL OUTPUTS CLASS II
OUTPUT:
INPUT:
(2)
PINSETTER
HDLC INTERFACE
P1
P1
BUMPER
CAMERA KEYPAD
GS PINSETTER
2X 2.0 AMP, 250V
SLOW BLOW FUSES
ETHERNET
(1)
PINSETTER
DATA CABLE
(3)
PERIPHERAL
CONTROLLER
INTERFACE CONTROLLER
HDLC/ GS PINSETTER
57-300565
R
SERIAL NO.
MODEL NO.
28 VAC, 50/60 Hz, 2A
ALL OUTPUTS CLASS II
OUTPUT:
INPUT:
(5)
GAMESETTER
ELECTRONICS
(LEFT SIDE)
(2)
PINSETTER
HDLC INTERFACE
Cabling - Non Direct Connect Pinsetters
(1) PINSETTER DATA CABLE (2) PINSETTER HDLC INTERFACE (3) PERIPHERAL CONTROLLER
(4) CONSOLIDATED ELECTRONICS (5) GAMESETTER ELECTRONICS
(LEFT SIDE) (LEFT SIDE)

Table of Contents

Other manuals for Brunswick Sync

Related product manuals