EasyManua.ls Logo

Brunswick Sync - Cable Diagrams

Brunswick Sync
278 pages
Print Icon
To Next Page IconTo Next Page
To Next Page IconTo Next Page
To Previous Page IconTo Previous Page
To Previous Page IconTo Previous Page
Loading...
18 Sync Overhead Monitors
CABLE DIAGRAMS
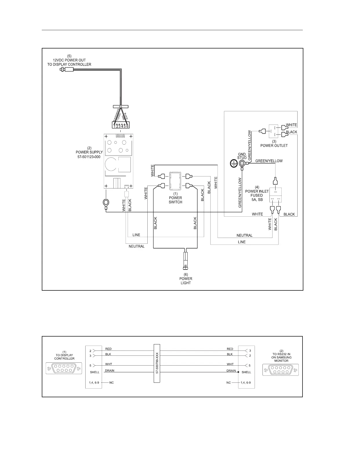
Display Controller Power Supply - Wiring
(1) POWER SWITCH (2) POWER SUPPLY (57-501123-000) (3) POWER OUTLET
(4) POWER INLET FUSED 5A, SB (5) 12VDC POWER OUT TO DISPLAY (6) POWER LIGHT
CONTROLLER
RS-232 Monitor Control Cable (57-500799-003)
(1) TO DISPLAY CONTROLLER (2) TO RS232 IN ON SAMSUNG MONITOR

Table of Contents

Other manuals for Brunswick Sync

Related product manuals