EasyManua.ls Logo

Ecolab ULTRAX Compact - 5.3 Schéma de procédé

Ecolab ULTRAX Compact
568 pages
Print Icon
To Next Page IconTo Next Page
To Next Page IconTo Next Page
To Previous Page IconTo Previous Page
To Previous Page IconTo Previous Page
Loading...
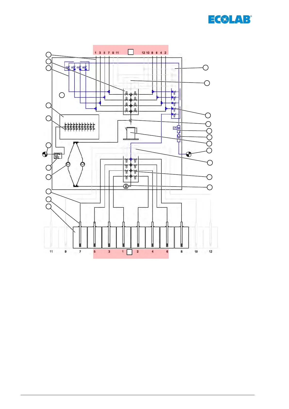
5.3 Schéma de procédé
A
B
1
2
3
4
8
9
11
12
13
14
15
17
18
19
20
21
22
23
24
25
26
27
28
Fig. 5 : Schéma de procédé
A Laveuse-essoreuse
B Produit
1 Console murale
2 Boîte de raccordement
3 Filtre régulateur
4 Pompes à membrane
8 Sélectionner [Compteur à roues ovales]
9 Bloc distributeur de vannes à membrane, côté produits
11 Console pour récipient mesureur
12 Séparateur d’impuretés
13 Capteur de débit
14 Robinet de prélèvement d’échantillons
15 Blocs de soupapes de rinçage
17 Raccords de conduite de dosage
18 Bloc distributeur de vannes à membrane côté
machines
19 Conduites de rinçage
20 Vanne pilote
22 Lances d’aspiration (non fourni)
23 Récipient de produit
24 Raccord d’air comprimé
25 Raccord d’arrivée d’eau
26 * Unité d’extension côté produits
27 * Unité d’extension côté machines
28 * Unité d’extension de soupapes de rinçage
- * Conduites d’extension (9, 10, 11, 12) représentées en
clair
.
Description du fonctionnement
44MAN046590 Rév. 6-03.2022

Table of Contents

Related product manuals