EasyManua.ls Logo

Ecolab ULTRAX Compact - 5.3 Processchema

Ecolab ULTRAX Compact
568 pages
Print Icon
To Next Page IconTo Next Page
To Next Page IconTo Next Page
To Previous Page IconTo Previous Page
To Previous Page IconTo Previous Page
Loading...
5.3 Processchema
A
B
1
2
3
4
8
9
11
12
13
14
15
17
18
19
20
21
22
23
24
25
26
27
28
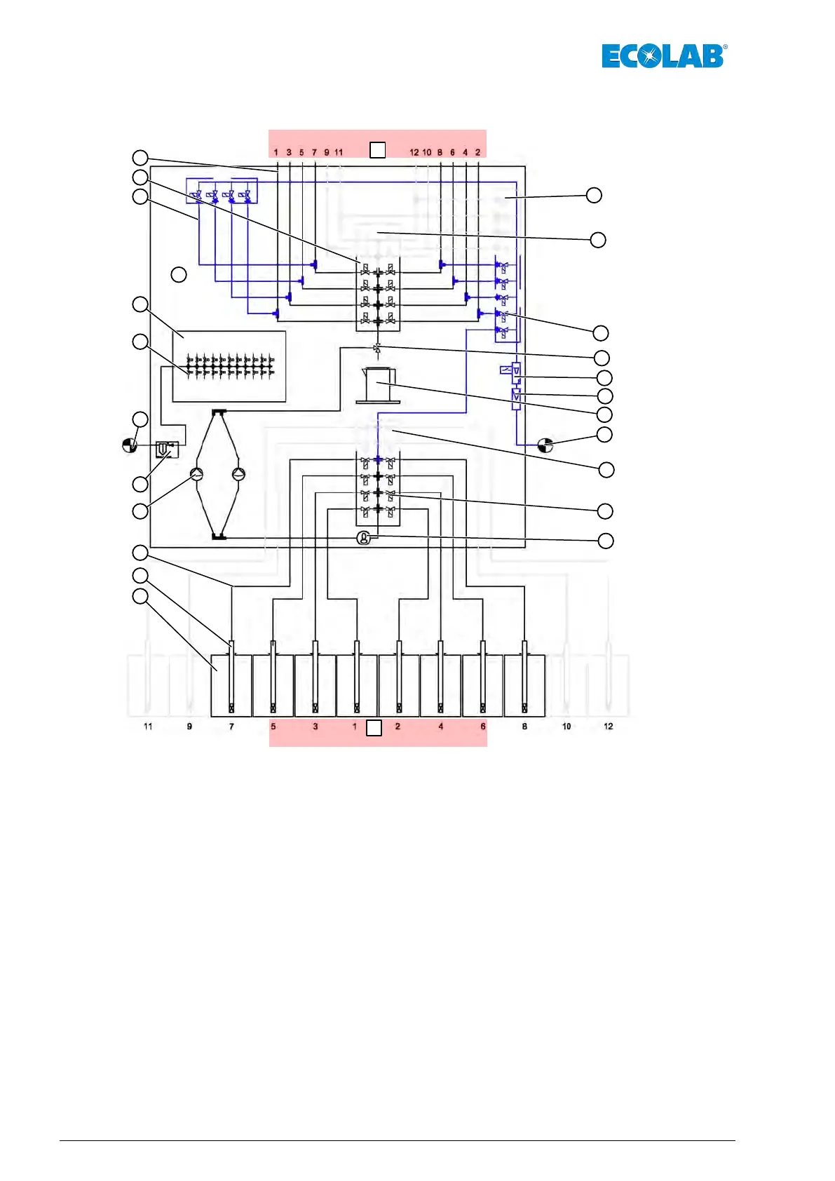
Bild 5: Processchema
A Grovtvättmaskin
B Produkt
1 Väggkonsol
2 Anslutningsbox
3 Filtertryckgivare
4 Membranpumpar
8 Flödesmätare
9 Fördelarblock för membranventil, på produktsidan
11 Konsol för mensur
12 Smutsfångare
13 Flödesgivare
14 Provtagningskran
15 Efterspolningsventilterminaler
17 Doserledningsanslutningar
18 Ventilfördelarblock för membranventiler, på
maskinsidan
19 Efterspolningsledningar
20 Pilotventil
22 Sugrör (ingår inte in leveransomfattningen)
23 Produktförpackning
24 Tryckluftanslutning
25 Vattenanslutning
26 * Utökningsenhet på produktsidan
27 *+ Utökingsenhet på maskinsidan
28 * Utökningsenhet efterspolningsventiler
- * Utökningsledningar (9, 10, 11, 12), visas i ljus färg.
Funktionsbeskrivning
42MAN046590 rev. 6-03.2022

Table of Contents

Related product manuals