EasyManua.ls Logo

Ecolab ULTRAX Compact - 5.3 Verfahrensschema

Ecolab ULTRAX Compact
568 pages
Print Icon
To Next Page IconTo Next Page
To Next Page IconTo Next Page
To Previous Page IconTo Previous Page
To Previous Page IconTo Previous Page
Loading...
5.3 Verfahrensschema
A
B
1
2
3
4
8
9
11
12
13
14
15
17
18
19
20
21
22
23
24
25
26
27
28
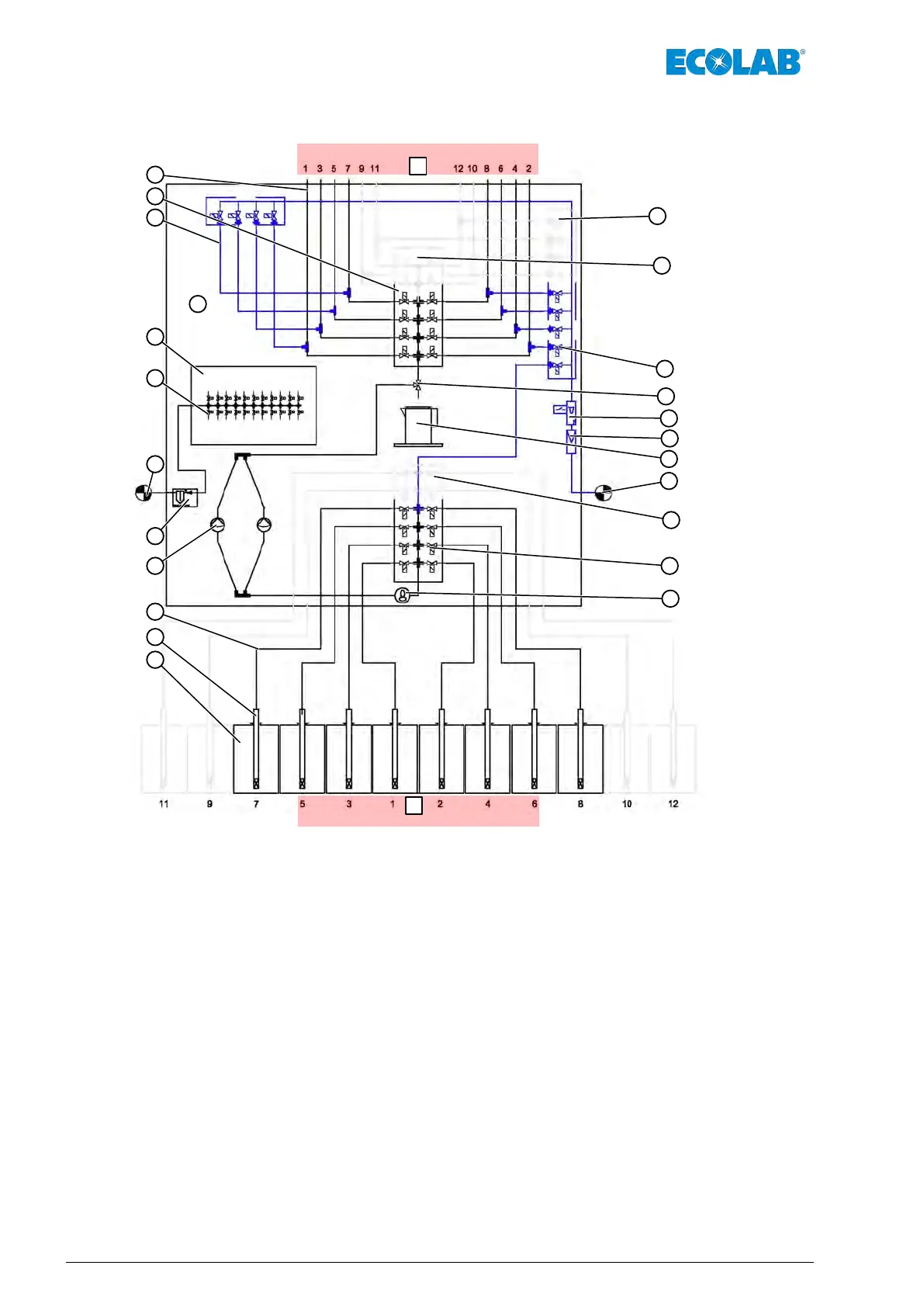
Abb. 5: Verfahrensschema
A Waschschleudermaschine
B Produkt
1 Wandkonsole
2 Klemmenkasten
3 Filterdruckregler
4 Membranpumpen
8 Ovalradzähler
9 Membranventilverteilerblock. produktseitig
11 Konsole für Mensur
12 Schmutzfänger
13 Durchflusssensor
14 Probeentnahmehahn
15 Nachspülventilblöcke
17 Dosierleitungsanschlüsse
18 Membranventilverteilerblock maschinenseitig
19 Nachspülleitungen
20 Pilotventil
22 Sauglanzen (nicht im Lieferumfang)
23 Produktgebinde
24 Druckluftanschluss
25 Wasseranschluss
26 * Erweiterungseinheit produktseitig
27 * Erweiterungseinheit maschinenseitig
28 * Erweiterungseinheit Nachspülventile
- * Erweiterungsleitungen (9, 10, 11, 12) hell dargestellt.
Funktionsbeschreibung
42MAN046590 Rev. 6-03.2022

Table of Contents

Related product manuals