EasyManua.ls Logo

Epson EPL-N4000 - Mechanical Drive for Registration; Mechanical Drive for the Drum and BTR

Epson EPL-N4000
306 pages
Print Icon
To Next Page IconTo Next Page
To Next Page IconTo Next Page
To Previous Page IconTo Previous Page
To Previous Page IconTo Previous Page
Loading...
EPSON EPL-N4000/EPL-N4000+ Chapter 2 Operating Principles
Rev.B 61
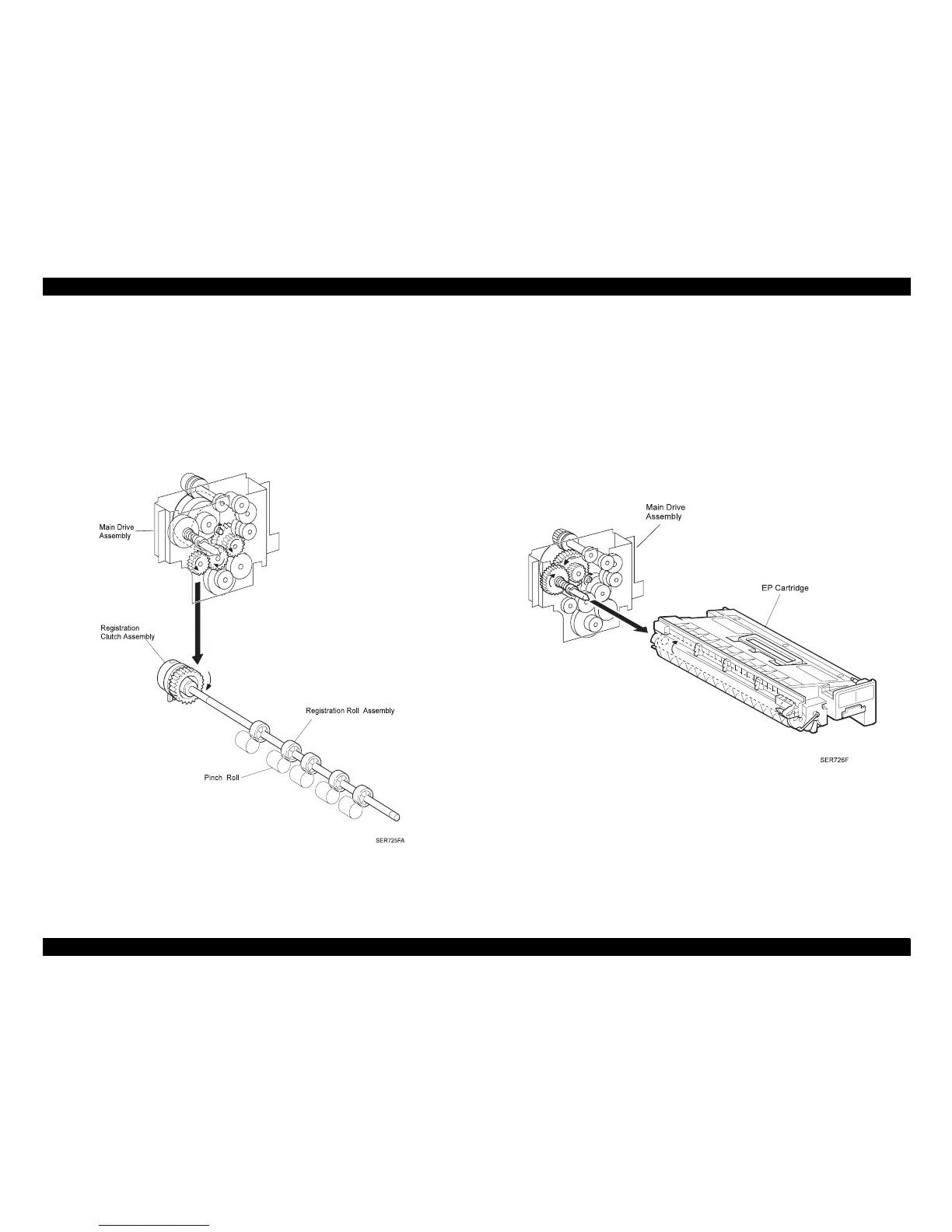
2.2.6 Mechanical Drive for Registration
The Main Motor provides mechanical drive for the Re
g
istration Roll. The
Main Drive Assembly transmits drive to the Re
g
istration Clutch. At a
specific time in the print cycle the MCU switches on the Re
g
istration
Clutch. The Re
g
istration Clutch transmits drive to the Re
g
istration Roll,
which rotates and drives the sheet of paper into the Drum/BTR area.
Figure 2-12. Registration Roll Drive Mechanism
2.2.7 Mechanical Drive for the Drum and BTR
The Main Motor provides mechanical drive for the Drum and BTR. The
Main Drive Assembly transmits drive to the Drum. A shutter covers and
protects the Drum surface. When the Left Cover is closed, a mechanical
link opens the Shutter. When the Left Cover is open, the link closes the
Shutter. A
g
ear attached to the end of the Drum transmits drive to the
BTR. Since the BTR is attached to the Left Cover Assembly, the BTR is
driven only when the Left Cover is closed.
Figure 2-13. Drum/BTR Drive Mechanism

Table of Contents

Other manuals for Epson EPL-N4000

Related product manuals