EasyManua.ls Logo

Epson N6 Series - Page 275

Epson N6 Series
376 pages
Print Icon
To Next Page IconTo Next Page
To Next Page IconTo Next Page
To Previous Page IconTo Previous Page
To Previous Page IconTo Previous Page
Loading...
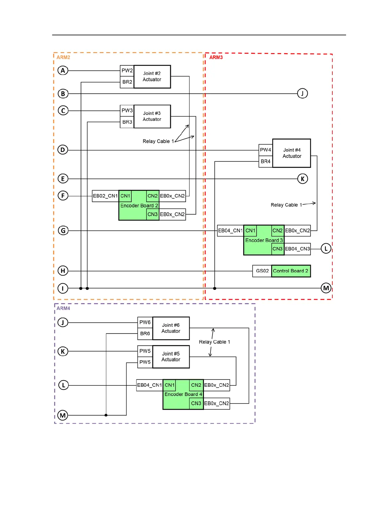
Maintenance 4. Cable
N6 Rev.2 263

Table of Contents

Related product manuals