EasyManua.ls Logo

Fuji Electric FRENIC-Ace series - Vector Control; 1 ] Common

Fuji Electric FRENIC-Ace series
788 pages
To Next Page IconTo Next Page
To Next Page IconTo Next Page
To Previous Page IconTo Previous Page
To Previous Page IconTo Previous Page
Loading...
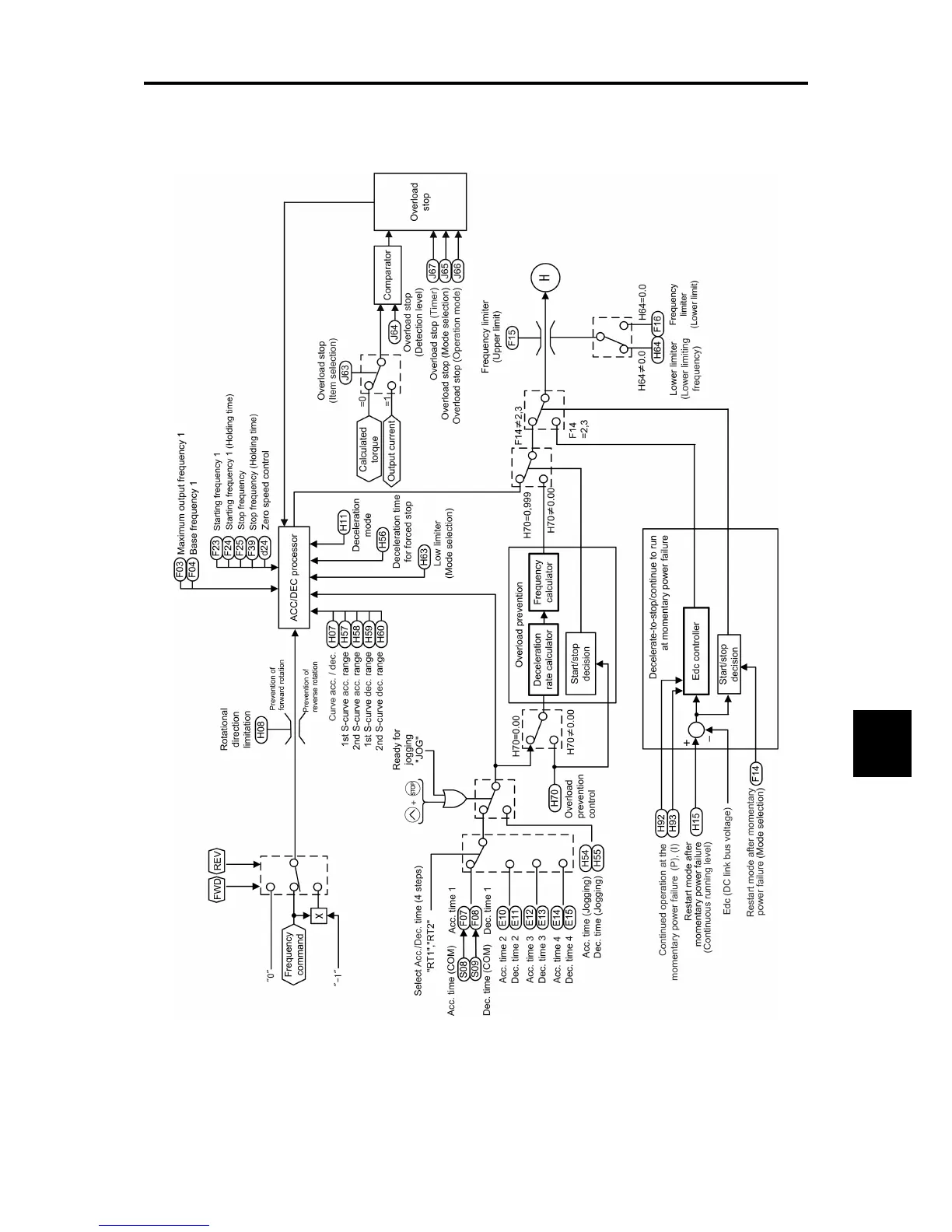
8.6 Control Section
8-11
BLOCK DIAGRAMS FOR CONTROL LOGIC
Chap 8
8.6.2 Vector Control
[ 1 ] Common
Figure 8.6-4 Vector Control (Common) Section Block Diagram

Table of Contents

Related product manuals