EasyManua.ls Logo

GRAPHTEC FC2250 - Page 201

GRAPHTEC FC2250
210 pages
Print Icon
To Next Page IconTo Next Page
To Next Page IconTo Next Page
To Previous Page IconTo Previous Page
To Previous Page IconTo Previous Page
Loading...
FC2250-UM-251-9370 11-13
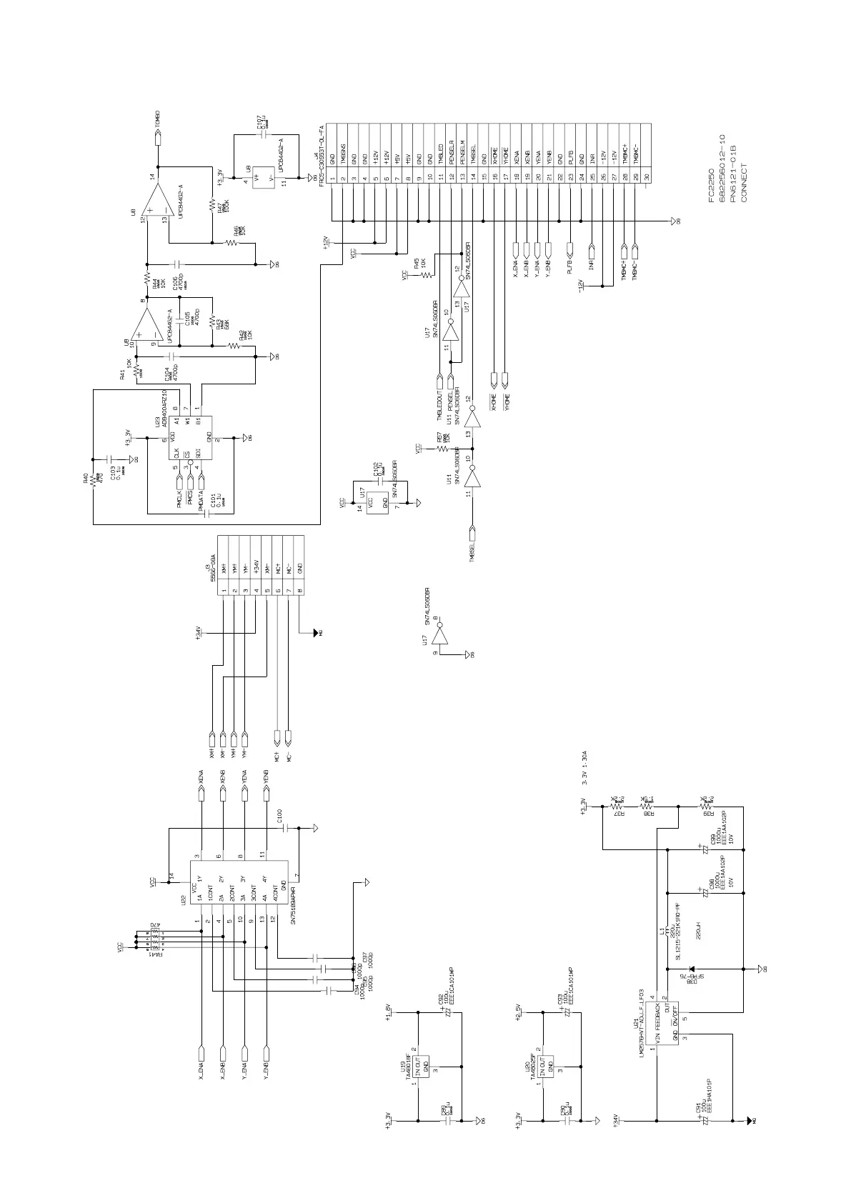
11. BLOCK DIAGRAMS AND CIRCUIT DIAGRAMS
Main Board, Connect 1/2

Table of Contents

Related product manuals