EasyManua.ls Logo

Great Wall hover - Front Suspension (2 WD)

Great Wall hover
425 pages
Print Icon
To Next Page IconTo Next Page
To Next Page IconTo Next Page
To Previous Page IconTo Previous Page
To Previous Page IconTo Previous Page
Loading...
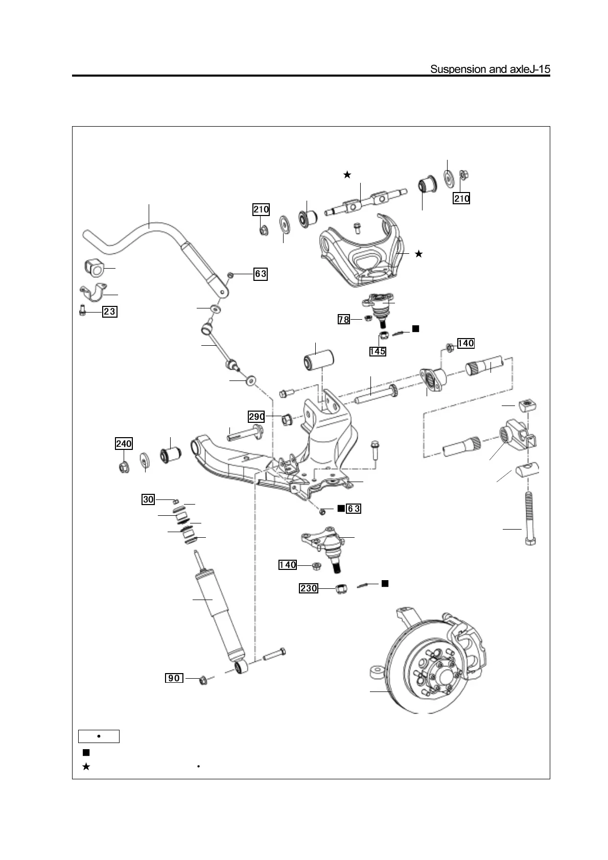
Front suspension (2WD)
front stabilizer bar
rubber cover
clip
connecting rod of
stabilizer bar
flat shim
front shaft of
lower arm
split pin
adjusting bolt
lower adjusting block
fixed arm
upper adjusting block
lower arm
rear shaft of lower arm
torsion bar base
torsion bar
lower arm long bush
split pin
upper ball pin
upper arm shaft
upper arm bush
flat shim
lower arm
short bush
eccentric shim
disk shim
fill block
fill block
disk shim
shim
shock absorber
shim
shim
upper arm bush
upper arm shaft
lower ball arm
front wheel hub
and steering
knuckle assy
N m: specified torque
Used component which can not be used any more.
Pregummed component N m: specified torque

Table of Contents

Related product manuals