EasyManua.ls Logo

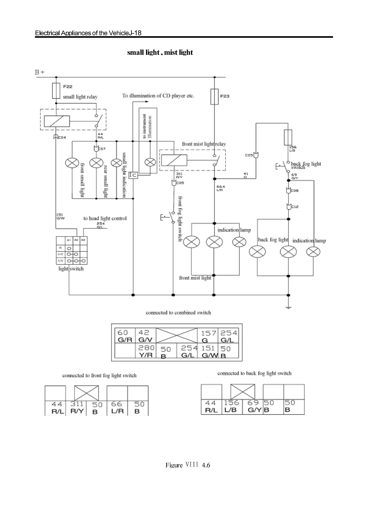
Great Wall hover - Small Light, Mist Light

Great Wall hover
425 pages
Print Icon
To Next Page IconTo Next Page
To Next Page IconTo Next Page
To Previous Page IconTo Previous Page
To Previous Page IconTo Previous Page
Loading...

Table of Contents

Related product manuals