EasyManua.ls Logo

Great Wall hover - Rear Suspension

Great Wall hover
425 pages
Print Icon
To Next Page IconTo Next Page
To Next Page IconTo Next Page
To Previous Page IconTo Previous Page
To Previous Page IconTo Previous Page
Loading...
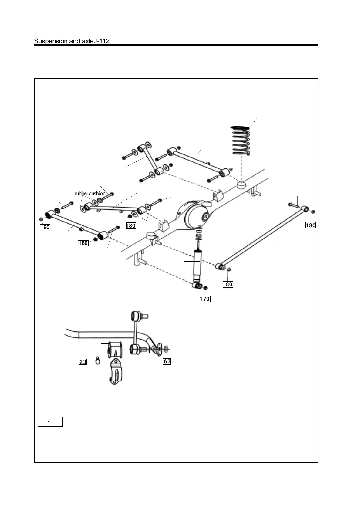
Rear suspension
N m: specified torque
bush clip
bush
rear stabilizer bar
rear connecting rod of stabilizer bar assembly
plain washer
short longitudinal
pull-rod fixed bolt
rubber pad
short longitudinal
pull-rod fixed bolt
long longitudinal
pull-rod assembly
long longitudinal
pull-rod fixed bolt
long longitudinal
pull-rodassembly
short longitudinal
pull-rod assembly
rear axle
assembly
coil spring
upper support pad
of coil spring
short longitudinal pull-rod assembly
long longitudinal
pull-rod assembly
rear vibration damper
cross pull-rod assembly
cross pull-rod
connecting bolt

Table of Contents

Related product manuals