EasyManua.ls Logo

Hioki 3153 - Page 158

Hioki 3153
255 pages
Print Icon
To Next Page IconTo Next Page
To Next Page IconTo Next Page
To Previous Page IconTo Previous Page
To Previous Page IconTo Previous Page
Loading...
145
_____________________________________________________________________________________________
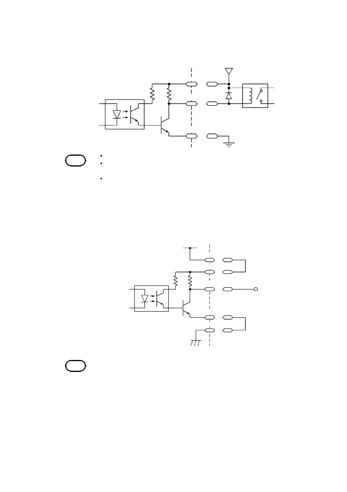
9.1 External I/O Terminal
______________________________________________________________________________________________
Rela
y
GND of the external
p
ower su
pp
l
y
3153
4
.7 kΩ
EXT.DCV
EXT.COM
External
p
ower su
pp
l
y
4
.7 kΩ
External I/O Terminal
Photocou
p
ler
NOTE
A signal can absorb up to 60 mA.
If the current capacity is not sufficient, connect a transistor or the like to the
outside in order to amplify the current.
When connecting an inductive load such as a relay, connect the diode in parallel
with the coil.
Photocou
p
ler
External I/O Terminal
3153
EXT.DCV
EXT.COM
4
.7 kΩ
+5 V
ISO.GND
ISO.DCV
4
.7 kΩ
NOTE
The output signal status upon power-on may be undetermined. Care should be taken
in the operation of equipment connected to the external I/O.
(1) Controlling the relay (When the external power supply is used)
To link the relay to an external device, make connections as shown below.
(2) Obtaining a signal limit (When the internal power supply is used)
To obtain a signal limit, make connections as shown below. In addition,
check the output current.

Table of Contents

Related product manuals