EasyManua.ls Logo

Panasonic FP0R - Page 44

Panasonic FP0R
348 pages
Print Icon
To Next Page IconTo Next Page
To Next Page IconTo Next Page
To Previous Page IconTo Previous Page
To Previous Page IconTo Previous Page
Loading...
3-6
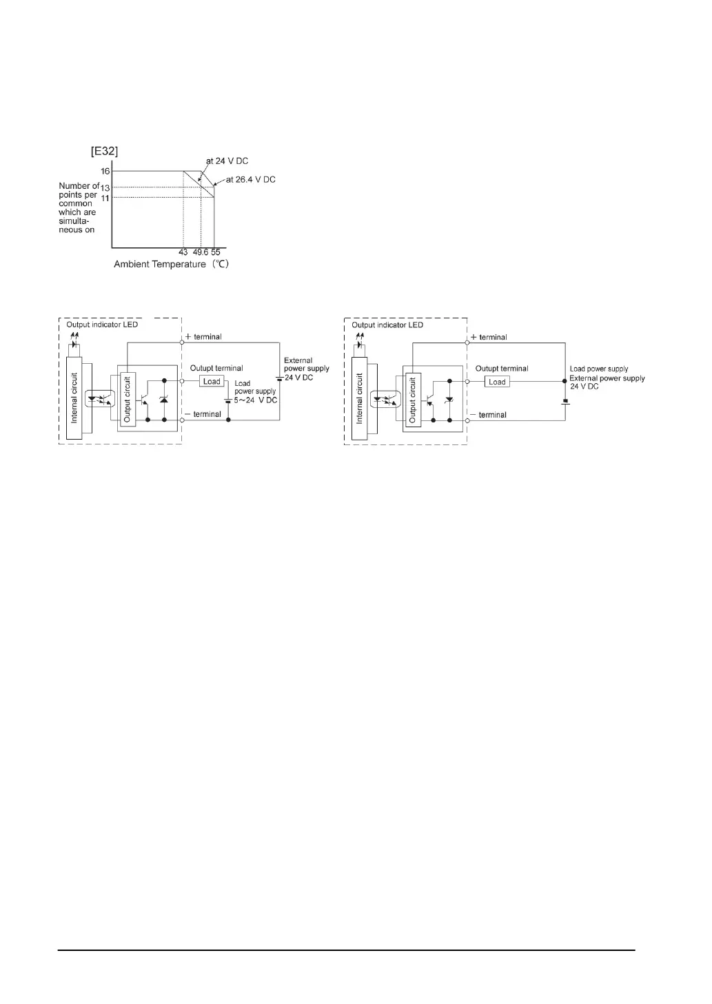
Limitations on number of simultaneous input on points
Keep the number of input points per common which are simultaneously on within the following range as
determined by the ambient temperature.
Internal circuit diagram
[NPN]
[PNP]

Table of Contents

Related product manuals