EasyManua.ls Logo

Agilent Technologies E6198B - Figure 5-25 Example: Load Plate with Loads; UUT Connections

Agilent Technologies E6198B
318 pages
Print Icon
To Next Page IconTo Next Page
To Next Page IconTo Next Page
To Previous Page IconTo Previous Page
To Previous Page IconTo Previous Page
Loading...
5-36 E6198B Switch/Load Unit User Manual
5 Using Load Cards and Loads
UUT Connections
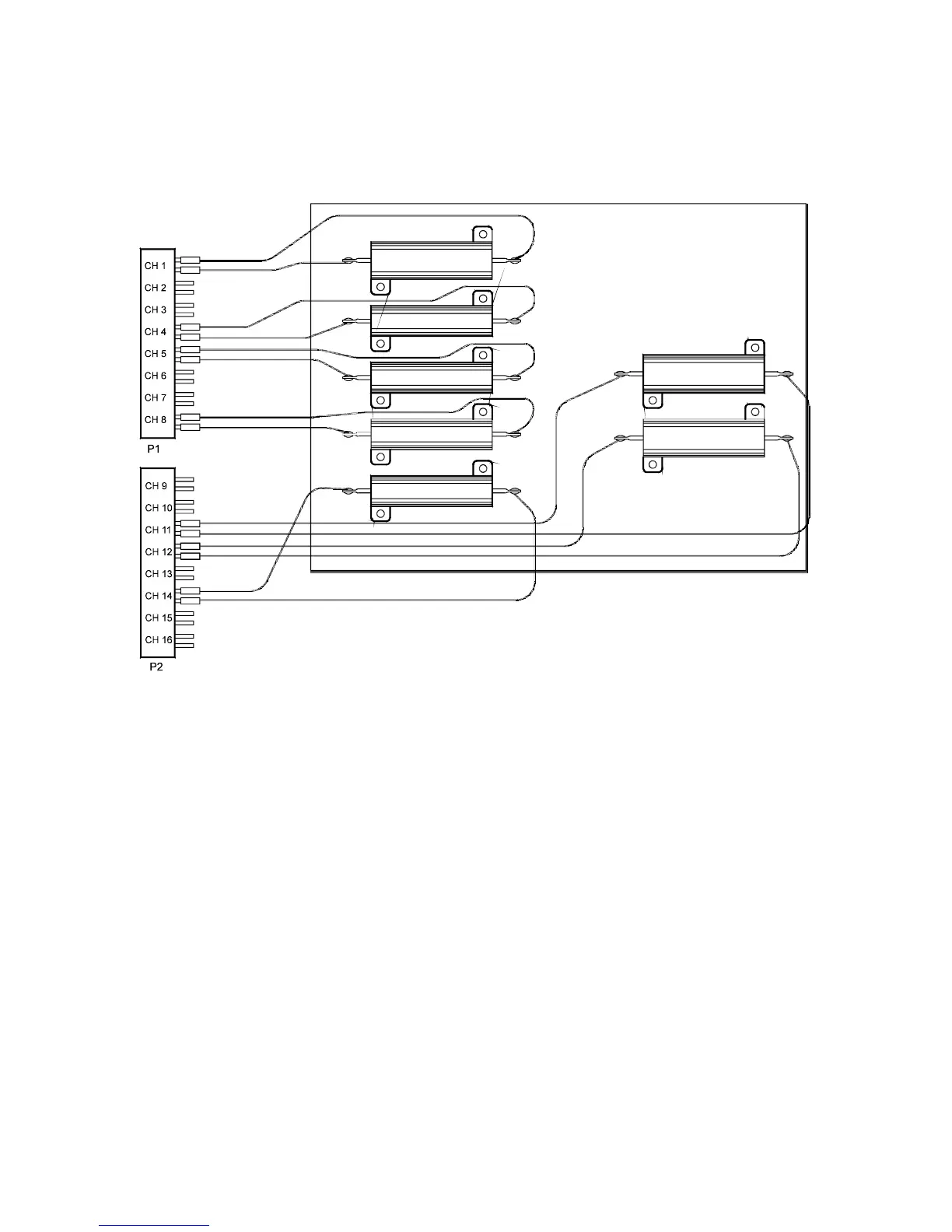
When configured as part of a standard Agilent system, P2 of the
load card is typically connected via cables to a mass
interconnect panel. User connections to the UUT are then made
from the mass interconnect panel. Refer to the appropriate
mass interconnect wiring guide for connection details.
You can also make connections directly to P2. Figure 5-26 is a
simplified load card schematic and P2 connector pinout
showing the details. Each row of P2 represents a single load
card channel. The three pins in each row are connected together
on the PC board for current sharing. When making UUT
connections, wire across all three pins in each row. This ensures
current sharing across all pins and prevents premature pin
failure from excessive current flow.
Figure 5-25 Example: Load Plate with Loads

Table of Contents

Related product manuals