EasyManua.ls Logo

Ceia THS/MS21 - Electrical Diagrams; Functional Diagrams; Control Power Box; Conveyor Control System

Ceia THS/MS21
162 pages
Print Icon
To Next Page IconTo Next Page
To Next Page IconTo Next Page
To Previous Page IconTo Previous Page
To Previous Page IconTo Previous Page
Loading...
3
FI002K0018v1100UK – THS/21 Instruction manual for installation, use and maintenance
INSTALLATION
72 ORIGINAL INSTRUCTIONS
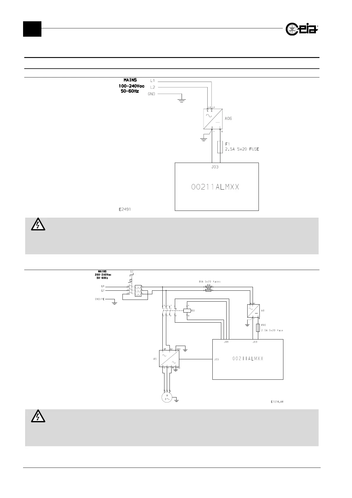
3.6 Electrical diagrams
3.6.1 Functional diagrams
3.6.1.1 Control Power Box
MAIN OVERCURRENT PROTECTION TO BE PROVIDED ON
SITE
-
MAX 15 A CC CLASS FUSE FOR UL508A
APPLICATIONS
-
MAX 16 A FUSE OR 250 V 16 A MAGNETOTHERMIC
SWITCH FOR CE APPLICATIONS
PROTECTION DE LIGNE A MAXIMUM DE COURANT A INSTALLER
SUR LE SITE
-
FUSIBLE CLASS CC 15A MAX
POUR APPLICATION UL508A
-
FUSIBLE 16A MAX OU DISJONCTEUR 250V 16A POUR
APPLICATION CE
3.6.1.2 Conveyor Control System
MAIN OVERCURRENT PROTECTION TO BE PROVIDED ON
SITE
-
MAX 15 A CC CLASS FUSE FOR UL508A APPLICATIONS
-
MAX 16 A FUSE OR 250 V 16 A MAGNETOTHERMIC
SWITCH FOR CE APPLICATIONS
PROTECTION DE LIGNE
A
MAXIMUM DE COURANT A
INSTALLER SUR LE SITE
-
FUSIBLE CLASS CC 15A MAX
POUR APPLICATION UL508A
-
FUSIBLE 16A MAX OU DISJONCTEUR 250V 16A POUR
APPLICATION CE

Table of Contents

Related product manuals