EasyManua.ls Logo

Comtech EF Data SLM-5650B - Functional Hardware Description; Figure 8-2. NP Interface Block Diagram

Comtech EF Data SLM-5650B
412 pages
Print Icon
To Next Page IconTo Next Page
To Next Page IconTo Next Page
To Previous Page IconTo Previous Page
To Previous Page IconTo Previous Page
Loading...
SLM-5650B Satellite Modem
Revision 2
Network Processor (NP) Interface 8–2 MN-SLM-5650B
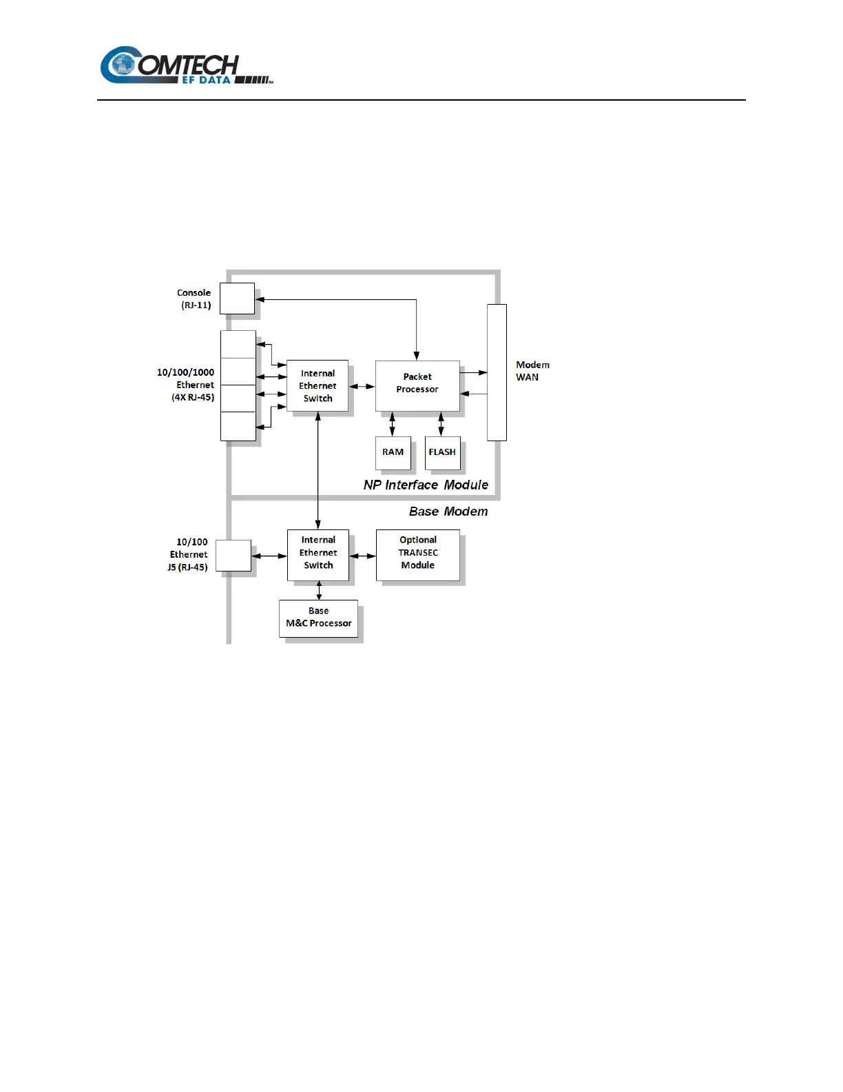
8.2 Functional Hardware Description
The NP Interface employs the very high performance Intel IXP2350 network processor/32-bit
microcontroller with four embedded MicroEngines to perform the high-speed Layer 3 routing
functions.
A functional block diagram is provided in Figure 8-2. The front-end of the NP Interface design
incorporates a Gigabit Ethernet (GbE) switch device that provides all Layer 2 management. The
back-end of the NP Interface design incorporates an FPGA to provide the WAN framing and
deframing, plus the interface into the main modem design.
Figure 8-2. NP Interface Block Diagram

Table of Contents

Related product manuals