EasyManua.ls Logo

Gamatronic power+ sa - Setup - Battery Option

Gamatronic power+ sa
174 pages
Print Icon
To Next Page IconTo Next Page
To Next Page IconTo Next Page
To Previous Page IconTo Previous Page
To Previous Page IconTo Previous Page
Loading...
GAMATRONIC ELECTRONIC INDUSTRIES LTD.
88
POWER
+
SA: 20, 30, and 40 kVA, Release 2.1
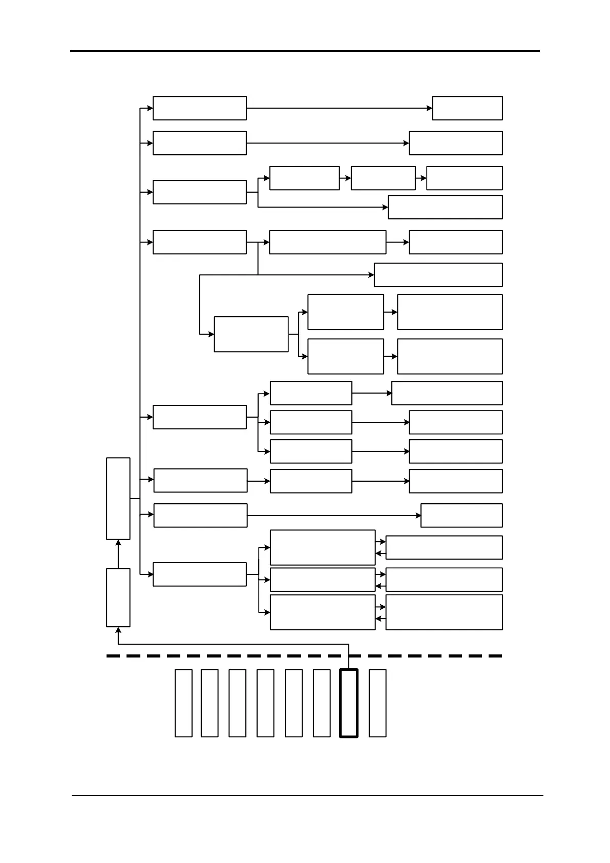
9.10 “Setup Battery” Option
- - - Battery SUBMENU OPTIONS - - -
1) Test-Voltage
2) Test Alarm
3) Current-Limit..
4) Temp Compensat.
5) Battery test...
6) Capacity 0020 AH)
7) ‘Auto’ Test
8) Enable/Dis Options
Set battery test voltage
alarm ▲▼◄►
1) Temperature
Compensation Value Setup
1) Activate Battery
Test...
1) Current Limit
Value Setup
2) Current Limit – Press
<Ent> to ENABLE/DISABLE
Battery current
limits
Set battery test
voltage ▲▼◄►
Set charge current
limit ▲▼◄►
2) Disable Temp.
Compensation (2.0mV) <Ent>
3) Set
ABSOLUTE Max
& Min Voltages
Set temperature
compensation ▲▼◄►
1) Set ABSOLUTE
MINimum Output
Voltage
2) Set ABSOLUTE
MAXimum Output
Voltage
Set ABSOLUTE
MINimum Voltage while
Cmpensat. ▲▼◄►
Set ABSOLUTE
MAXimum Voltage while
Cmpensat. ▲▼◄►
2) Set Auto Battery
Test Period
3) Set Auto Battery
Test Top Time
Activate battery test <Ent>
Set Batt Test Period
▲▼◄►
Set Top Time for
Battery Test ▲▼◄►
1) Set Capacity of
Battery # 1
Set Battery # N
Capacity ▲▼◄►
Battery test results
1) ENABLE SHUTDOWN
by long AC FAIL (Off)
<Ent>
2) ENABLE Current
Sensors (Off) <Ent>
3) ENABLE BATT
Temperature sensor (Off)
<Ent>
1) DISABLE SHUTDOWN by
long AC FAIL (On) <Ent>
2) DISABLE Current
Sensors (On) <Ent>
3) DISABLE BATT
Temperature sensor (On)
<Ent>
MAIN
MENU
OPTIONS
SYSTEM
UPS MODULE
SELFTEST
HISTORY
BATTERY
ALARM
SETUP
STATIC SW.
3) Battery
Password:
<<<<<<<<
Figure 155: Main Menu option 7 (“Setup Battery”)

Table of Contents

Related product manuals