EasyManua.ls Logo

Gamatronic power+ sa - Figure 16: Preferred Generator (Neutralized) and Connection (3-Pole); System Connections

Gamatronic power+ sa
174 pages
Print Icon
To Next Page IconTo Next Page
To Next Page IconTo Next Page
To Previous Page IconTo Previous Page
To Previous Page IconTo Previous Page
Loading...
GAMATRONIC ELECTRONIC INDUSTRIES LTD.
20
POWER
+
SA: 20, 30, and 40 kVA, Release 2.1
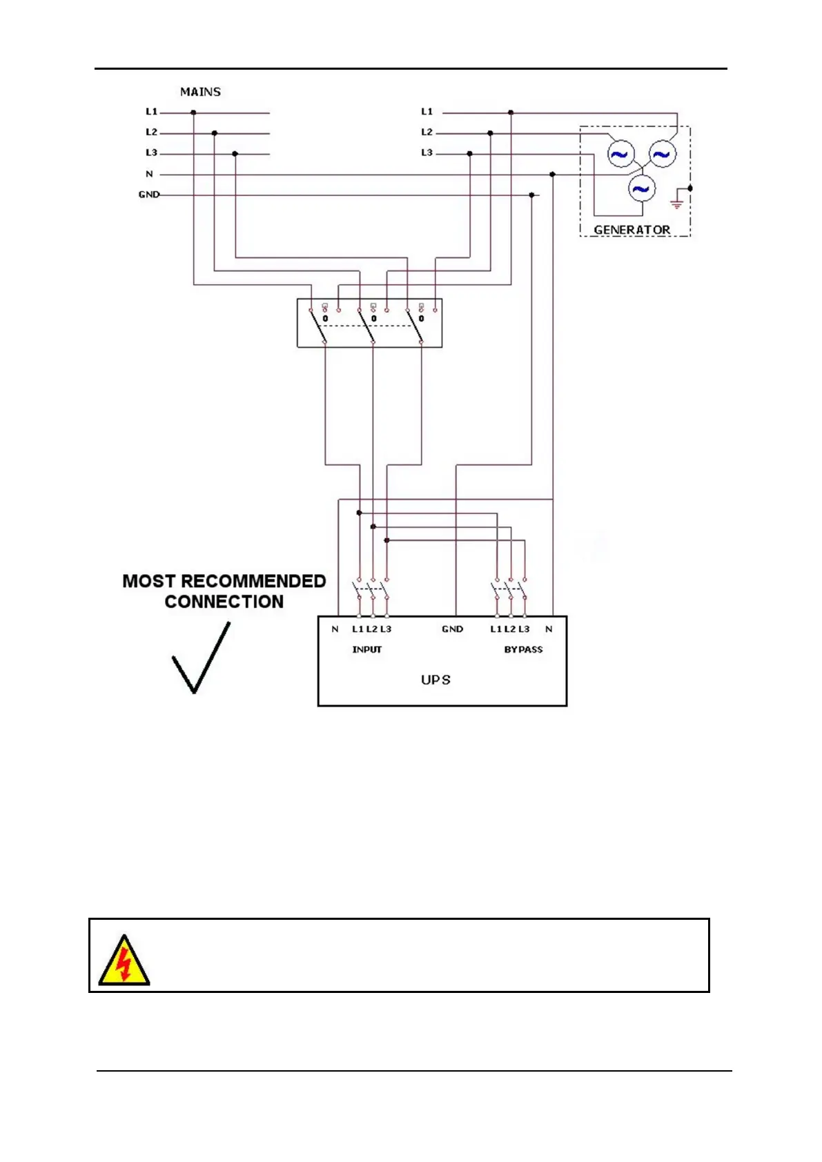
Figure 16: Preferred generator (neutralized) and connection (3-pole)
4.3.4.2 System Connections
Two wiring diagrams follow, for two different POWER+ SA configurations:
3-phase (Figure 17).
3-phase with input isolation transformer (Figure 18).
WARNING! RISK OF ELECTRICAL SHOCK OR INJURY!
INSTALLATION SHALL BE PERFORMED BY QUALIFIED TECHNICIAN
ONLY!

Table of Contents

Related product manuals