EasyManua.ls Logo

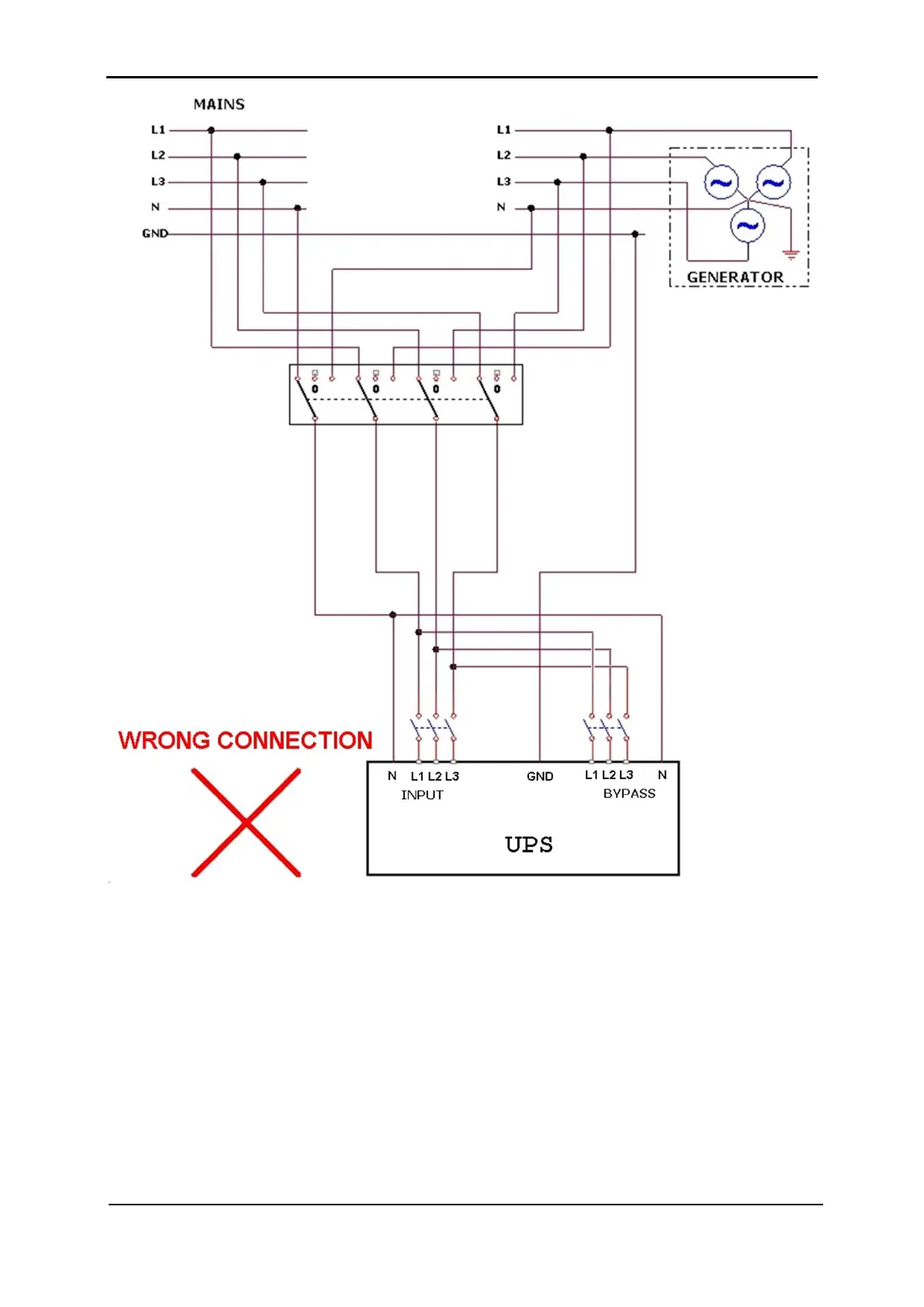
Gamatronic power+ sa - Figure 14: Wrong Way to Connect POWER + SA with a Four-Pole Switch

Gamatronic power+ sa
174 pages
Print Icon
To Next Page IconTo Next Page
To Next Page IconTo Next Page
To Previous Page IconTo Previous Page
To Previous Page IconTo Previous Page
Loading...
GAMATRONIC ELECTRONIC INDUSTRIES LTD.
18
POWER
+
SA: 20, 30, and 40 kVA, Release 2.1
Figure 14: Wrong way to connect P
OWER+ SA with a four-pole switch

Table of Contents

Related product manuals