EasyManua.ls Logo

Kollmorgen AKD

Kollmorgen AKD
196 pages
To Next Page IconTo Next Page
To Next Page IconTo Next Page
To Previous Page IconTo Previous Page
To Previous Page IconTo Previous Page
Loading...
AKD Installation | 8 Electrical Installation
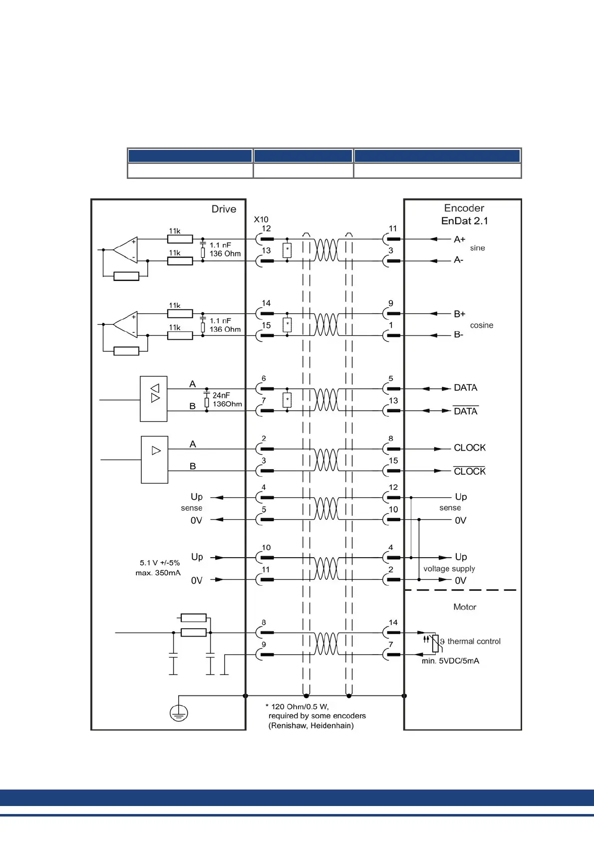
8.11.6 Sine Encoder with EnDat 2.1
The diagram below shows the wiring of a single-turn or multi-turn sine-cosine encoder with
EnDat 2.1 interface as a feedback system. Preferred types are the ECN1313 and EQN1325
encoders. The thermal control in the motor is connected via the encoder cable and evaluated
in the drive. All signals are connected using our pre-assembled encoder connection cable. If
cable lengths of more than 50 m are planned, consult customer support.
Type FBTYPE Frequency Limit
ENDAT 2.1 30 1 MHz
The pin assignment shown on the encoder side relates to Kollmorgen motors.
110 Kollmorgen™ | May 2013

Table of Contents

Other manuals for Kollmorgen AKD

Related product manuals