EasyManua.ls Logo

Kollmorgen AKD

Kollmorgen AKD
196 pages
To Next Page IconTo Next Page
To Next Page IconTo Next Page
To Previous Page IconTo Previous Page
To Previous Page IconTo Previous Page
Loading...
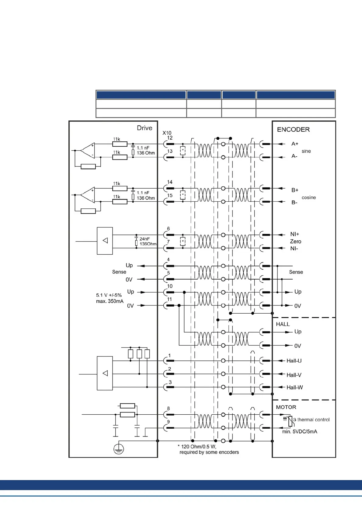
8.11.9 Sine Encoder
Feedback devices, which do not deliver absolute information for commutation, can either
work with wake&shake commutation (see AKD User Guide) or can be used as a complete
feedback system when combined with an additional Hall encoder. All signals are connected
to X10 and evaluated there. If cable lengths of more than 25 m are planned, please consult
customer support.
Type FBTYPE Up Frequency Limit (sin, cos)
SinCos 1 V p-p with Hall 20 5.1 V +/-5% 1 MHz
SinCos 1 V p-p (Wake&Shake) 21 5.1 V +/-5% 1 MHz
AKD Installation | 8 Electrical Installation
Kollmorgen | May 2013 113

Table of Contents

Other manuals for Kollmorgen AKD

Related product manuals