EasyManua.ls Logo

Kollmorgen AKD

Kollmorgen AKD
196 pages
To Next Page IconTo Next Page
To Next Page IconTo Next Page
To Previous Page IconTo Previous Page
To Previous Page IconTo Previous Page
Loading...
AKD Installation | 8 Electrical Installation
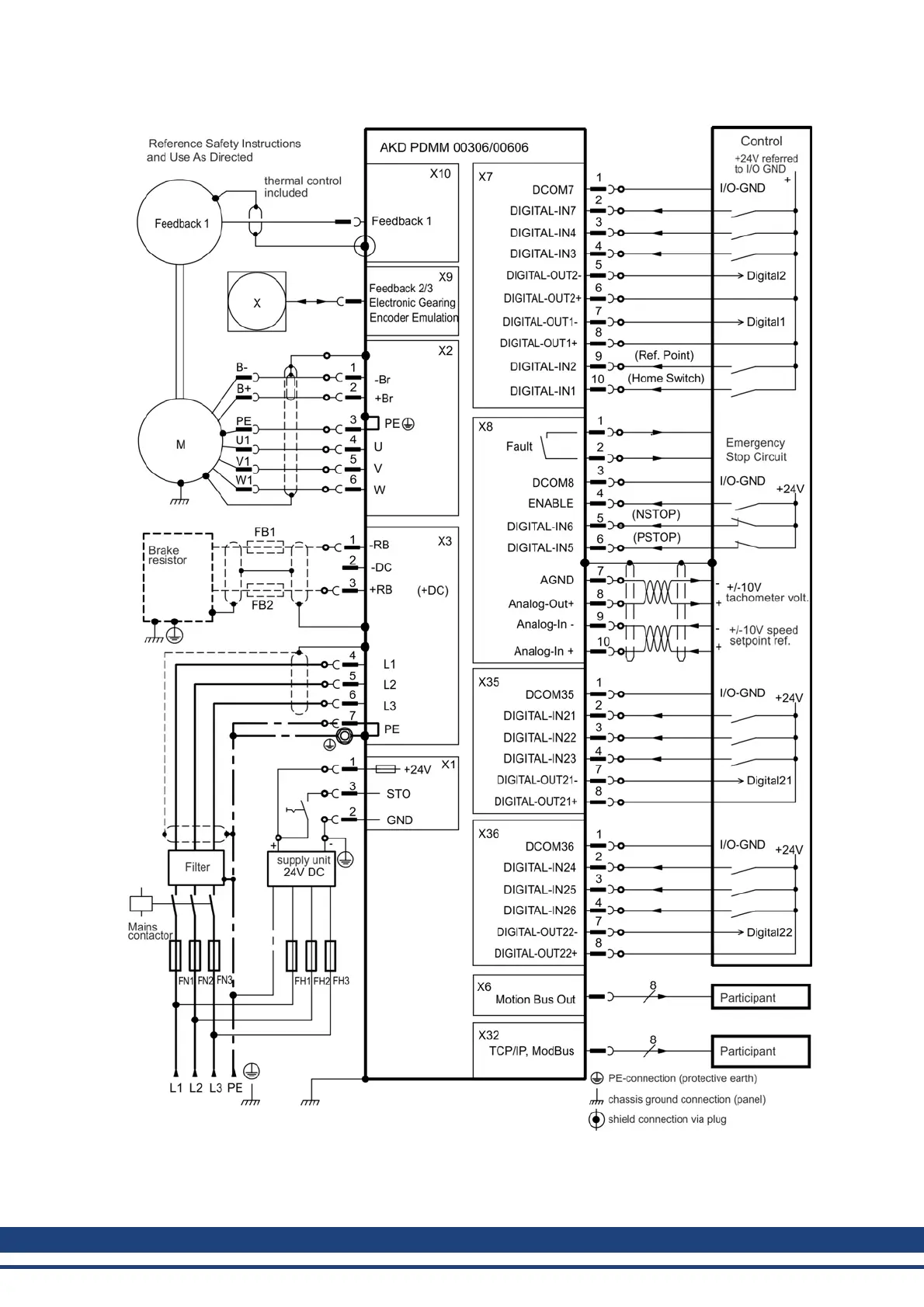
8.6.4 Connection Diagram AKD-M00306, AKD-M00606
82 Kollmorgen | May 2013

Table of Contents

Other manuals for Kollmorgen AKD

Related product manuals